EasyManua.ls Logo

Weed Eater TILLER WET6500A - Tine Assembly

Weed Eater TILLER WET6500A
28 pages
Print Icon
To Next Page IconTo Next Page
To Next Page IconTo Next Page
To Previous Page IconTo Previous Page
To Previous Page IconTo Previous Page
Loading...
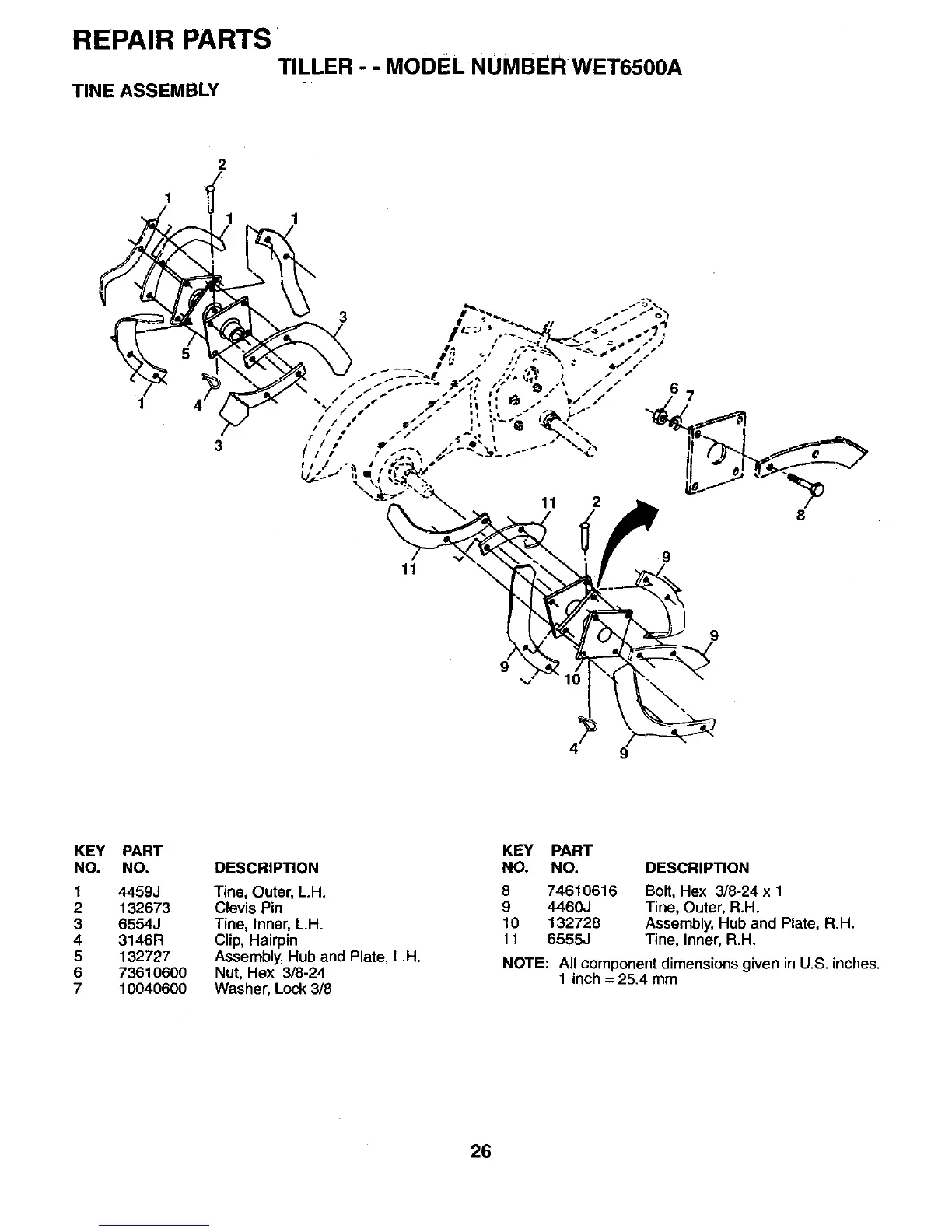
REPAIR PARTS
TILLER - - MODEL NUMBER WET6500A
TINE ASSEMBLY
2
I
1 1
11 2
8
9
\
9
4 9
KEY PART KEY PART
NO. NO. DESCRIPTION NO. NO. DESCRIPTION
1 4459J Tine, Outer, L.H. 8 74610616 Bolt, Hex 3/8-24 x 1
2 132673 Clevis Pin 9 4460J Tine, Outer, R.H.
3 6554J Tine, Inner, LH. 10 132728 Assembly, Hub and Plate, R.H.
4 3146R Clip, Hairpin 11 6555J Tine, Inner, R.H.
5 132727 Assembly, Hub and Plate, LH. NOTE: All component dimensions given in U.S. inches.
6 73610600 Nut, Hex 3/8-24 1 inch = 25.4 mm
7 10040600 Washer, Lock 3/8
26

Related product manuals