EasyManua.ls Logo

Wega EVD - Page 70

Wega EVD
100 pages
Print Icon
To Next Page IconTo Next Page
To Next Page IconTo Next Page
To Previous Page IconTo Previous Page
To Previous Page IconTo Previous Page
Loading...
TECHNICIANS' manual70 of 100
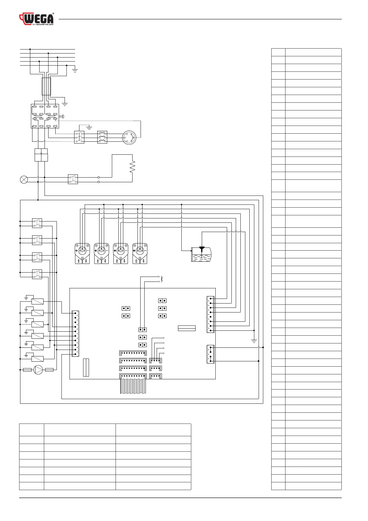
12.7.9 Wiring diagram code WY18090012-13-14-15
JUMPER INSERTED NOT INSERTED
JP1 Count enabled Count disabled
JP2 Pre-infusion enabled Pre-infusion disabled
JP3 Dose programming enabled Dose programming disabled
JP4 Filling the heating unit with the pump
Filling the heating unit without the pump
JP5 Dispensing tea with the pump Dispensing tea without the pump
JP6 Interlock enabled Interlock enabled
JP8 D control I/O Interface
P10
P11
P9
F4
JP3
P1
P2
P3
P4
P6
P5
P7
SL
NE
BL
NE
MA
MA
MA
MA
GV
RO
BL
VE
VE
VE
VE
VE
VE
CV4
CV3CV2CV1
PLT
MB
RO
RO
RO
RO
RO
RO
RO
RO
BL
VE
BL
VE
BL
VE
BL
VE
BI
RO
F2
JP7
JP6
JP4
JP1
JP2
JP5
CT
SCT
LA
PR
SA
CO
RE
400V
IST
R
S
T
N
MA
BL NE GR GV
CAB
MA
BL
IM1
IM2
IM3
IM4
CAL
EVT
EV1
EV4
EVC
EV3
EV2
MP
JP8
GND
RXD
TXD
VAL
13 9 5
1
3
71115
16 12 8
4
2
610
14
FP1
FP2
OOOO
BI White
BL Blue
CAB Power cable
CAL Heating unit
CN1 Power supply connector
CN2 Low voltage connector
CN4 Serial transmission connector
CO Power switch
CT Power supply connector
CV1 GR1 volumetric counter
CV2 GR2 volumetric counter
CV3 GR3 volumetric counter
CV4 GR4 volumetric counter
EV1 GR1 solenoid valve
EV2 GR2 solenoid valve
EV3 GR3 solenoid valve
EV4 GR4 solenoid valve
EVC
Heating unit lling solenoid
valve
EVT Tea solenoid valve
F1 Inlet fuse (6.3 A)
F2 Motor pump fuse (500 mA)
FP1(*)
Motor pump fuse UL (OPD)
fuse
FP1(*)
UL (OPD) Fuse for 230 V
GR Grey
GV Yellow-green
IC2 Eprom
IM1 GR1 manual switch
IM2 GR2 manual switch
IM3 GR3 manual switch
IM4 GR4 manual switch
IP Programming switch
IST Cup warmer switch
LA Indicator light
JP5 Tea button connection
MA Brown
MB
Pushbutton panel membrane
MP Motor pump
NE Black
PLT Tea button
P1
GR1 pushbutton panel connector
P2
GR2 pushbutton panel connector
P3
GR3 pushbutton panel connector
P4
GR4 pushbutton panel connector
P5 Tea dose
P6 Not managed
P7 Serial connection
P9 Steam outlet connector
P10 Low voltage connector
P11 Power supply
PR Pressure switch
RE Heating element
RO Red
SA Safety heating element
SCT
Cup warmer heating element
SL Heating unit level probe
VE Green
(
*
) Fuses for UL versions where
a plug with a capacity greater
than 30 A is installed

Table of Contents