EasyManua.ls Logo

Weidmüller ACT20X - Page 46

Default Icon
110 pages
Print Icon
To Next Page IconTo Next Page
To Next Page IconTo Next Page
To Previous Page IconTo Previous Page
To Previous Page IconTo Previous Page
Loading...
46 1066540000/00/02.09
EEPROM
CPU
+
-
+
-
Tx
I+
mA mA
CPU /
Safety
D / A
51
44
42
41
52
54
53
43
4
3
2
+
-
CPU
FLASH
V
loop
A / D
MUX
14
24
23
22
21
PTC
10 Ω
0.2 mA
13
12
11
PTC
2-wire transmitter
Status relay N.C.
Status relay N.C.
Device status, Red/Green
Potentiometer
Voltage
Current
RTD and lin. R,
connection,
wires TC
Supply -
Supply
Relay N.O.
Supply +24 VDC
Gnd.
Channel 1 status, Red
Channel 2 status, Red
CJC on PCB
Relay N.O.
2-wire supply +
2-wire supply -
4...20 mA
Gnd.
CBX200 with Configuration Software
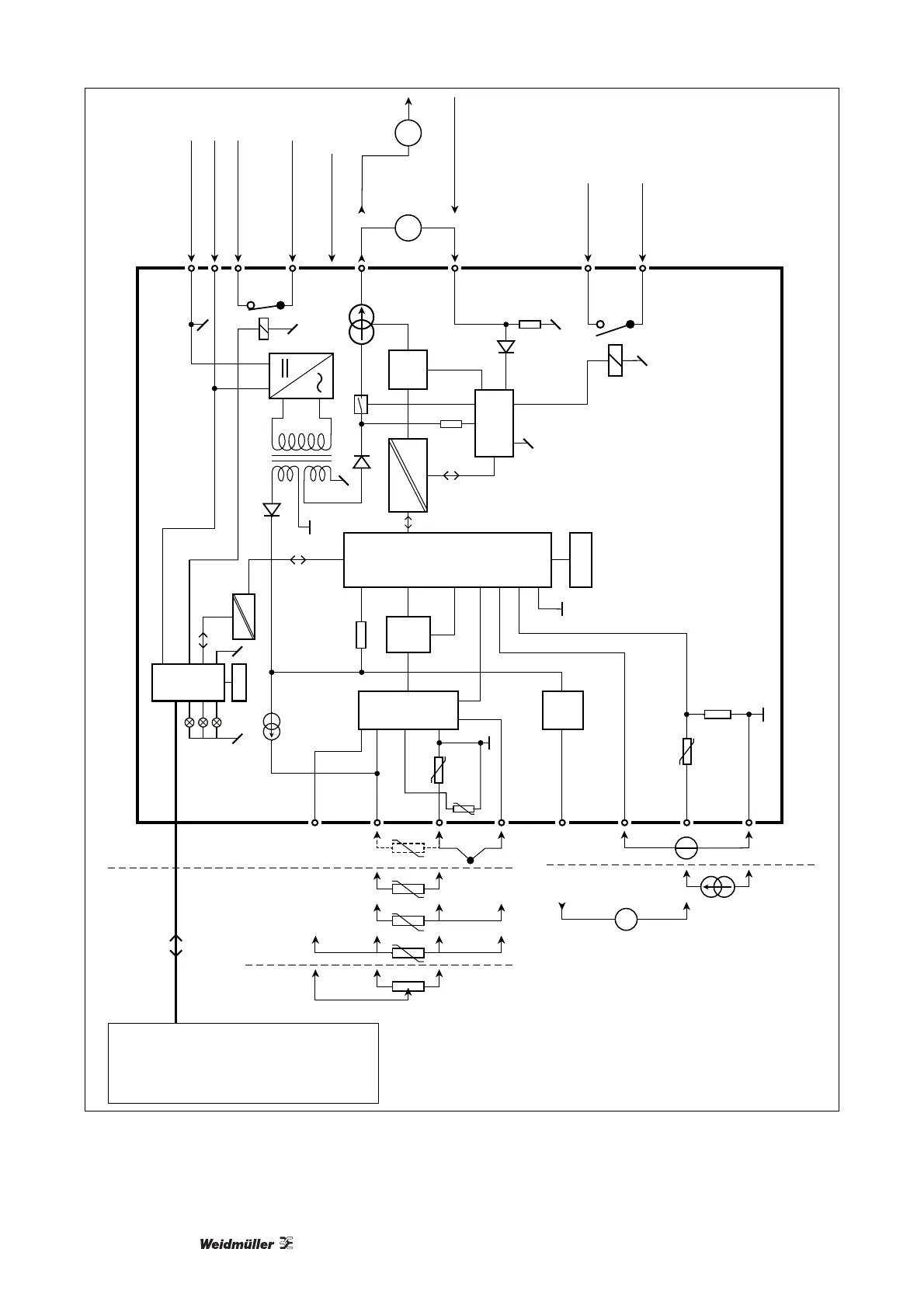
Illustration 7-11: Functional Block Diagram