EasyManua.ls Logo

Weidmüller ACT20X - Page 58

Default Icon
110 pages
Print Icon
To Next Page IconTo Next Page
To Next Page IconTo Next Page
To Previous Page IconTo Previous Page
To Previous Page IconTo Previous Page
Loading...
58 1066540000/00/02.09
54
53
52
51
44
43
42
41
24
23
22
21
14
+
CH1
CH2
-
+
-
13
12
11
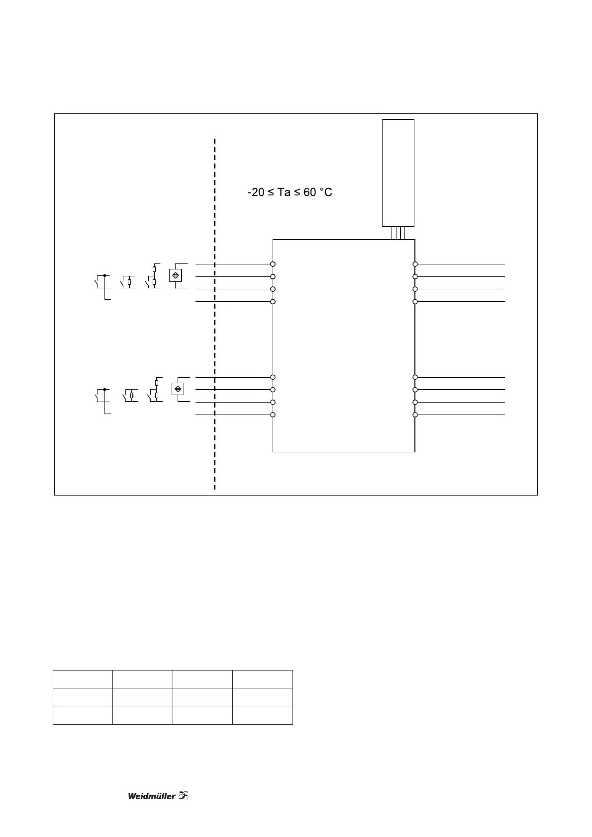
ACT20X
CBX200 with
Configuration Software
Hazardous area
Switch
Switch w Shunt
Contact Sensor
NAMUR Sensor
Zone 0, 1, 2, 20, 21, 22
Non Hazardous area
or Zone 2
Configuration in
safe area only!
Illustration 7-16: ATEX Installation Drawing
Ex Input Supply / Output
CH1 (terminal 11, 12, 13, 14) (terminal 51…54)
CH2 (terminal 21, 22, 23, 24) (terminal 41…44)
U
o
:10.6 V DC U
m
: 253 V, max. 400 Hz
I
o
: 12 mA DC
P
o
: 32 mW
L
o
/R
o
: 1150 μH/Ω
IIC IIB IIA
C
o
2.0 μF 6.0 μF 18 μF
L
o
260 mH 780 mH 1000 mH