EasyManua.ls Logo

WEIHONG Ncstudio V15 - 5.3.2.11 Wiring Diagram of Kaitong KT270 Series Servo Drive

Default Icon
121 pages
Print Icon
To Next Page IconTo Next Page
To Next Page IconTo Next Page
To Previous Page IconTo Previous Page
To Previous Page IconTo Previous Page
Loading...
上海维宏电子科技股份有限公司
SHANGHAI WEIHONG ELECTRONIC TECHNOLOGY CO., LTD.
91 / 116
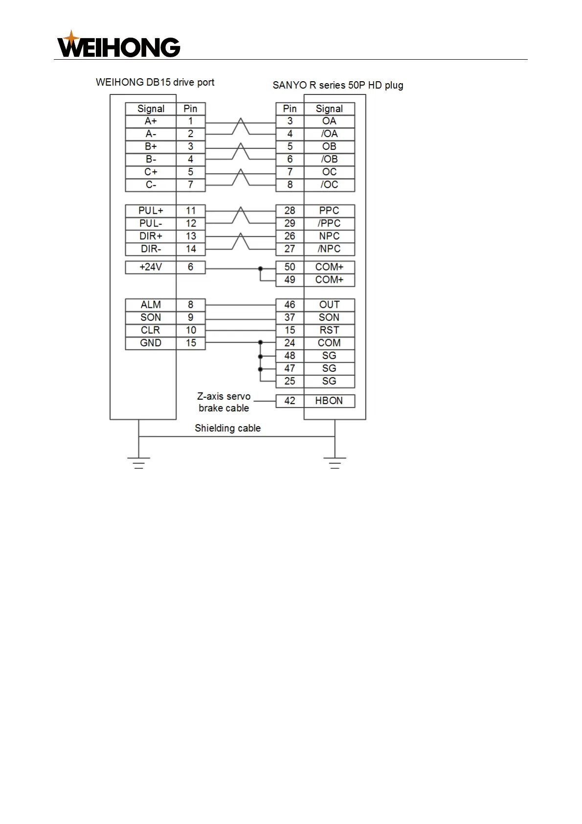
5.3.2.11 Wiring Diagram of Kaitong KT270 Series Servo Drive
The wiring diagram is as follows:

Table of Contents

Related product manuals