EasyManua.ls Logo

Wen 56380i - GENERATOR PREPARATION AND OPERATION; UNPACKING AND INITIAL SETUP

Wen 56380i
48 pages
Print Icon
To Next Page IconTo Next Page
To Next Page IconTo Next Page
To Previous Page IconTo Previous Page
To Previous Page IconTo Previous Page
Loading...
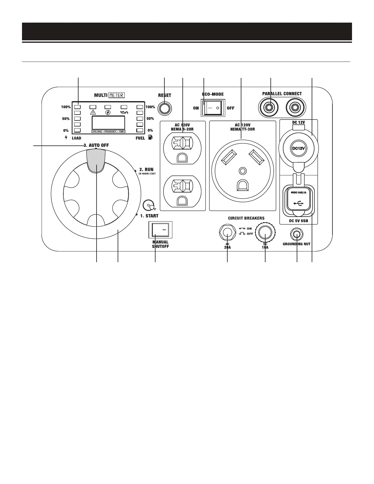
KNOW YOUR GENERATOR
CONTROL PANEL
9
1. Multimeter with Indicator Lights
2. Reset Button
Push button to reset the circuit (see page 21)
3. AC 120V NEMA 5-20 Duplex Receptacles (20A)
4. Eco-Mode Switch
Turn ON to increase fuel economy and runtime
when the load is below 2550W (75% load)
5. AC 120V NEMA TT-30 Receptacle (28.3A)
6. Parallel Connection Ports
Connect two WEN inverter generators through a
parallel connection kit for a higher output
7. DC 12V Cigarette-Light Style Receptacle
8. DC 5V USB Outlets
9. Grounding Nut
Ground generator to reduce risk of electric shock
10. DC Circuit Breaker (10A)
11. AC Circuit Breaker for NEMA 5-20R (20A)
12. Manual Shutoff Button
Push down for 10 seconds to shutoff generator
manually (see page 23)
13. 3-in-1 Switch
Turn switch to start, run, and automatically shut
off the generator
14. Engine Start Button
Turn switch to "start" and press button to ignite
the engine (see page 17)
15. Auto Off/Fuel Shutoff
Automatically shuts off generator after fuel in
the carburetor is consumed (see page 23)
1
13
15
12 11 10 9 814
2 43 5 6 7

Other manuals for Wen 56380i

Related product manuals