EasyManua.ls Logo

Wen 56380i - Generator Preparation

Wen 56380i
48 pages
Print Icon
To Next Page IconTo Next Page
To Next Page IconTo Next Page
To Previous Page IconTo Previous Page
To Previous Page IconTo Previous Page
Loading...
3
3
3
3
2
2
2
2
1
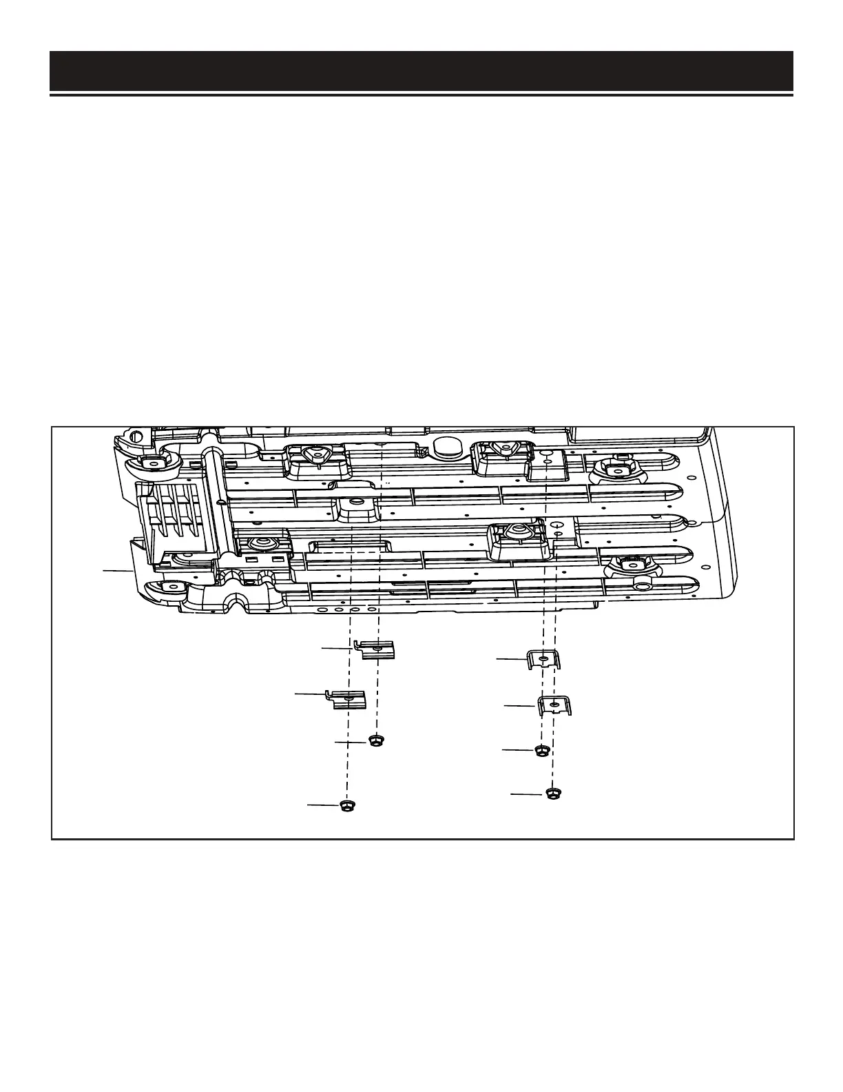
GENERATOR PREPARATION
Fig. 1
REMOVING THE MOUNTING PLATES
Your generator is shipped with four mounting plates that secure the engine to the generator housing in
order to prevent machine damage during shipping. Make sure to remove the four mounting plates before
operating your generator.
To remove the mounting plates:
1. With the help of another person, place generator on an elevated platform such as table or workbench.
Make sure the generator is stable. Do not to tilt the generator as there may be remaining fuel inside the
crankcase from testing.
2. Remove the four nuts (Fig. 1 - 3) and mounting plates (Fig. 1 - 2) from the generator's baseplate (Fig. 1 -
1).
3. Follow the instructions in the following pages to prepare your generator for starting.
10

Other manuals for Wen 56380i

Related product manuals