EasyManua.ls Logo

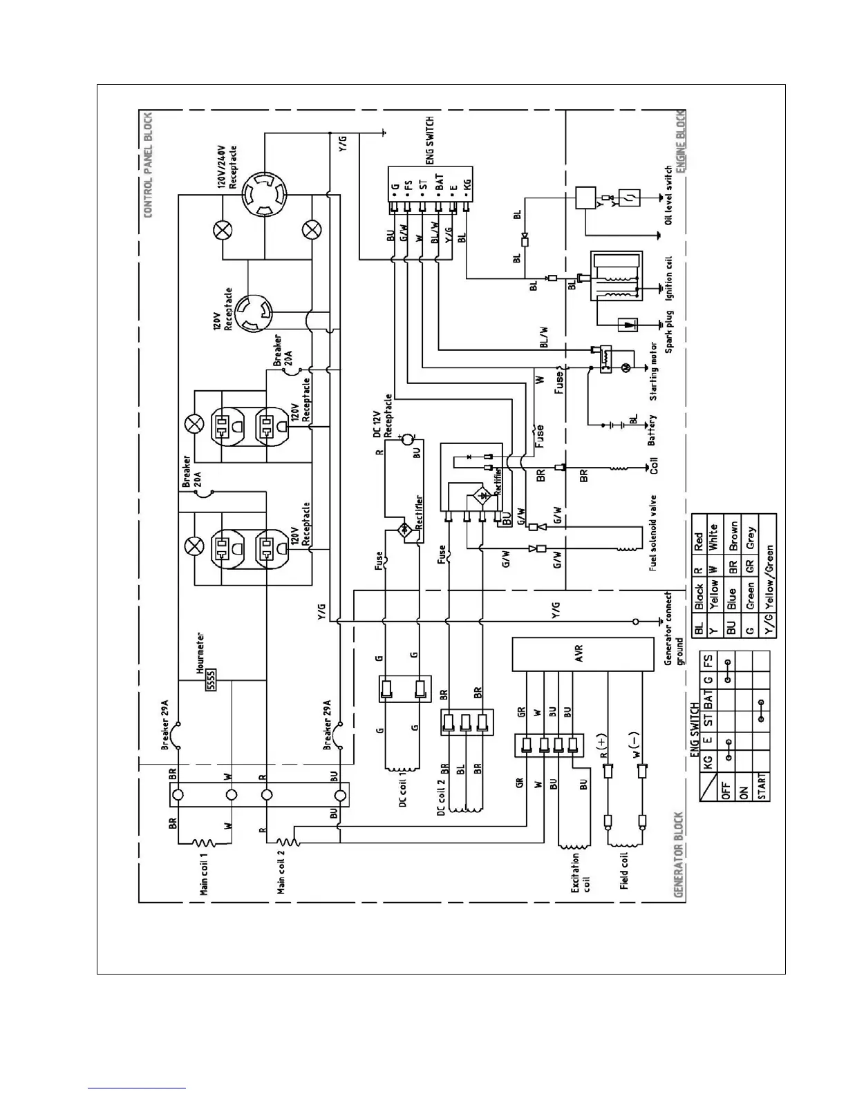
Wen 56877 - Wiring Diagram

Wen 56877
41 pages
Print Icon
To Next Page IconTo Next Page
To Next Page IconTo Next Page
To Previous Page IconTo Previous Page
To Previous Page IconTo Previous Page
Loading...
WIRING DIAGRAM
35

Related product manuals