EasyManua.ls Logo

Wen GN9500X - Wiring Diagram

Wen GN9500X
44 pages
Print Icon
To Next Page IconTo Next Page
To Next Page IconTo Next Page
To Previous Page IconTo Previous Page
To Previous Page IconTo Previous Page
Loading...
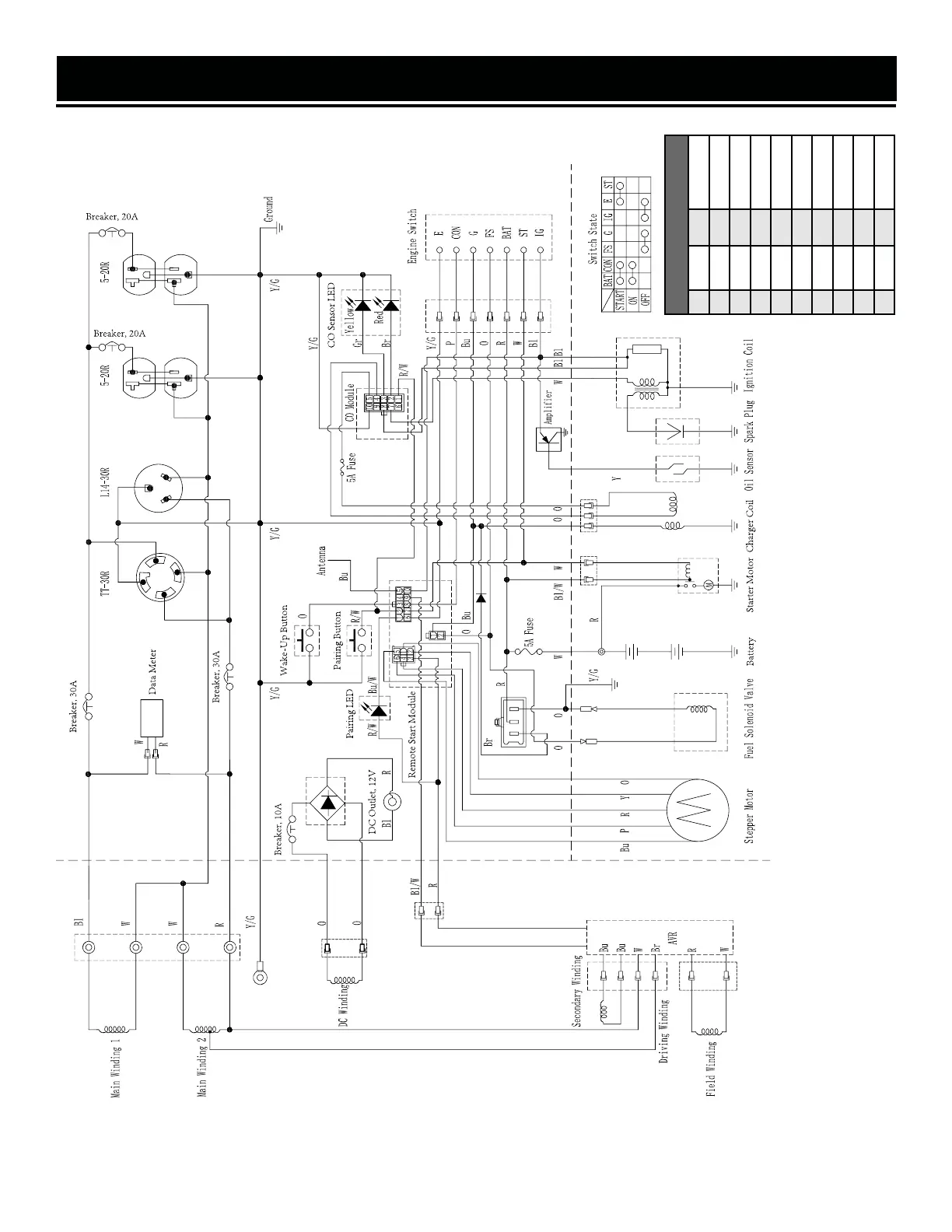
WIRING DIAGRAM
Wire Color
Bl Black Bl/Y Black / Yellow
Y Yellow W/Bl White / Black
Bu Blue Y/G Yellow / Green
G Green Bl/R Black / Red
R Red Bl/W Black / White
W White Bu/W Blue / White
Or Orange Y/W Yellow / White
P Pink G/W Green / White
Br Brown R/Y Red / Yellow
Gr Gray R/G Red / Green
37

Related product manuals