EasyManua.ls Logo

Westerbeke 5.0 MCGA - Figure 27: BC Generator AC Terminal Connections; Figure 28: Generator Windings Schematic Diagram

Westerbeke 5.0 MCGA
50 pages
Print Icon
To Next Page IconTo Next Page
To Next Page IconTo Next Page
To Previous Page IconTo Previous Page
To Previous Page IconTo Previous Page
Loading...
5 Maintenance Operator Manual for Gasoline Generators
page 34
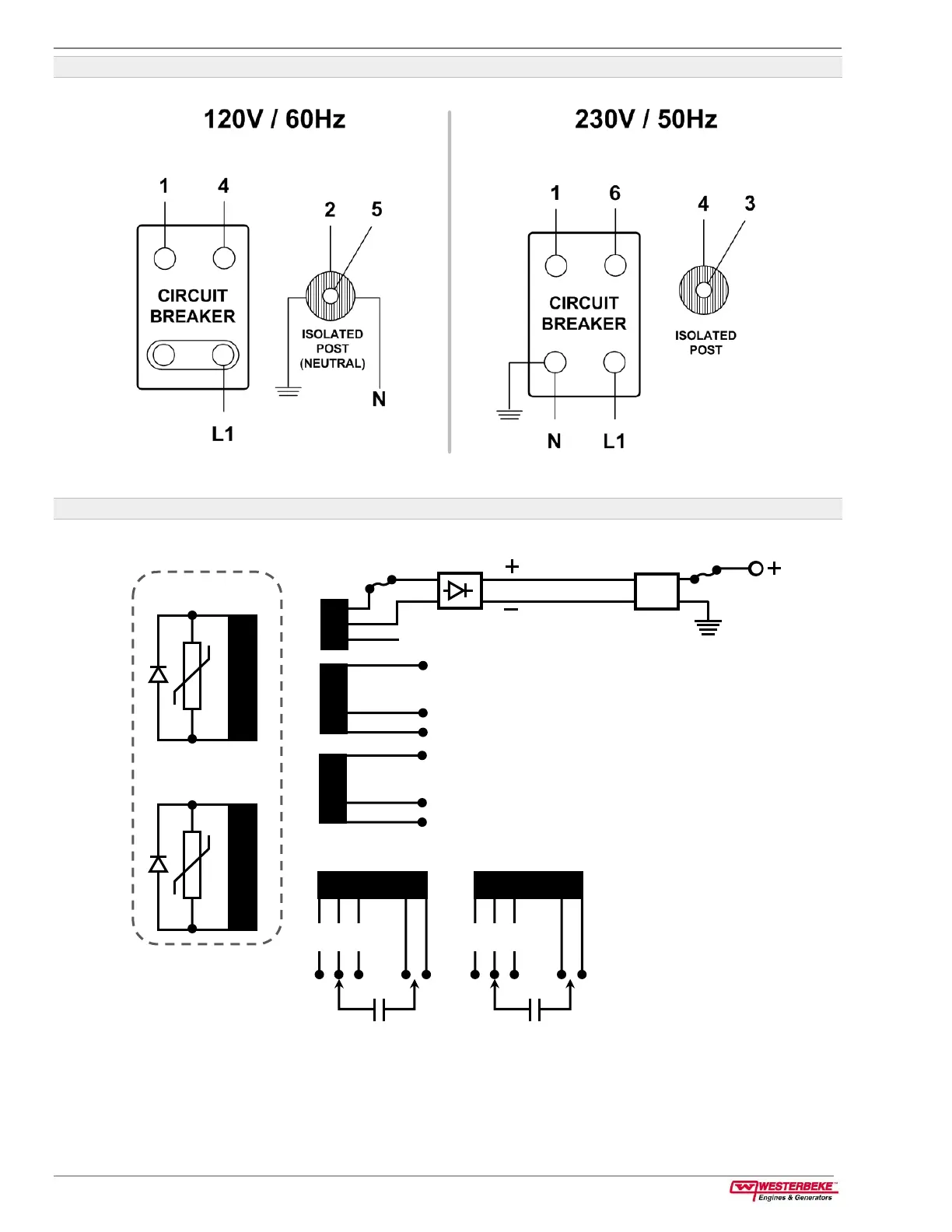
Figure 27: BC Generator AC Terminal Connections
Figure 28: Generator Windings Schematic Diagram
CHARGER
60 Hz
50 Hz
1
2
3
4
5
6
ROTOR WINDING
ROTOR WINDING
9
8
7
50 Hz
60 Hz
9
8
7
50 Hz
60 Hz
EXCITER WINDING
EXCITER WINDING
CAPACITOR
CAPACITOR
STATOR WINDING
STATOR WINDING
30A FUSE
30A FUSE
INTEGRAL
CONTROLLER
AC
DC
BATTERY CHARGING CIRCUIT

Table of Contents

Related product manuals