EasyManua.ls Logo

Westinghouse iGen5000DF - Schematics; Generator Wiring Diagram

Westinghouse iGen5000DF
92 pages
Print Icon
To Next Page IconTo Next Page
To Next Page IconTo Next Page
To Previous Page IconTo Previous Page
To Previous Page IconTo Previous Page
Loading...
30 | English
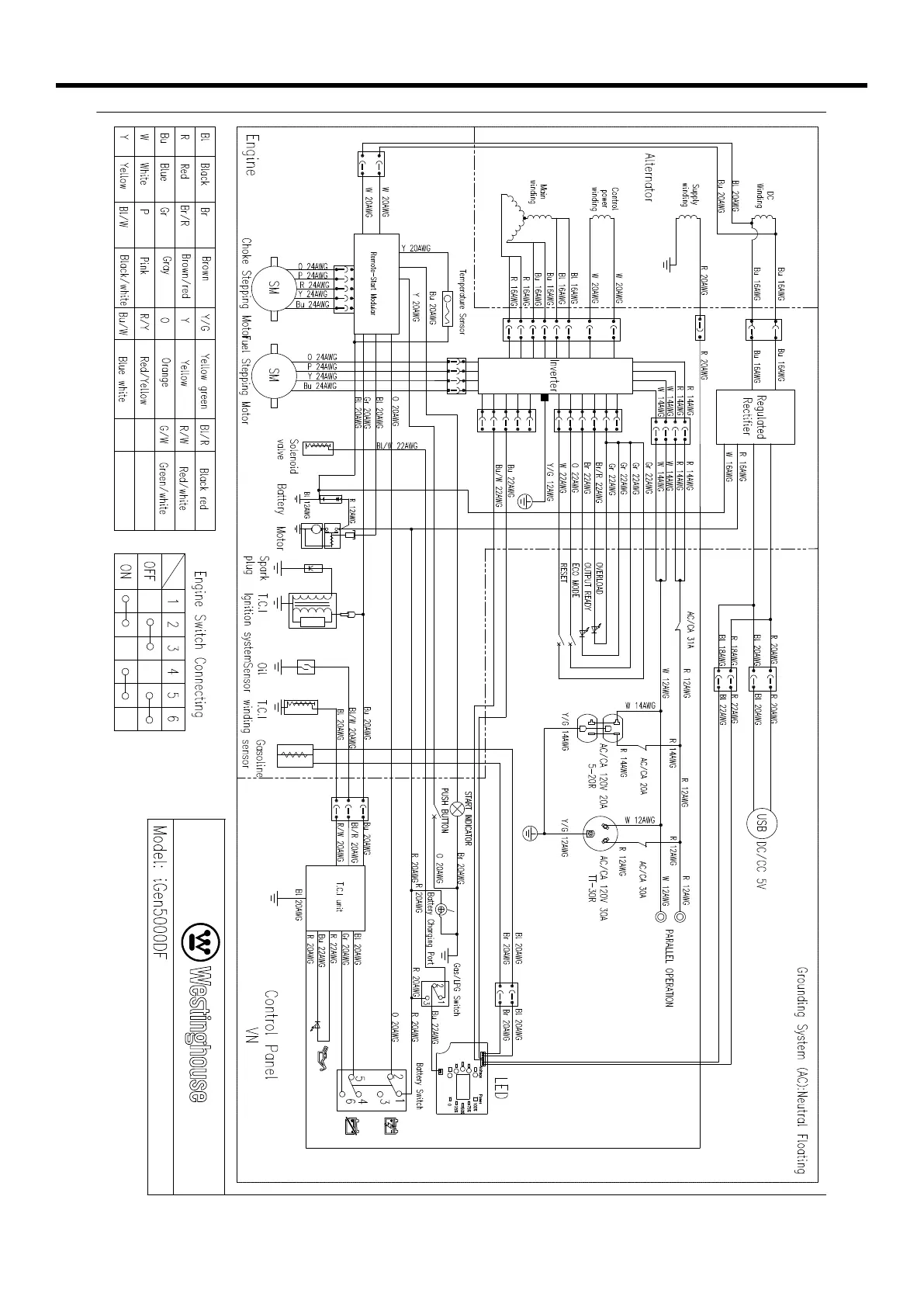
SCHEMATICS
M
θ
2
3
4
5
1
θθ

Related product manuals