EasyManua.ls Logo

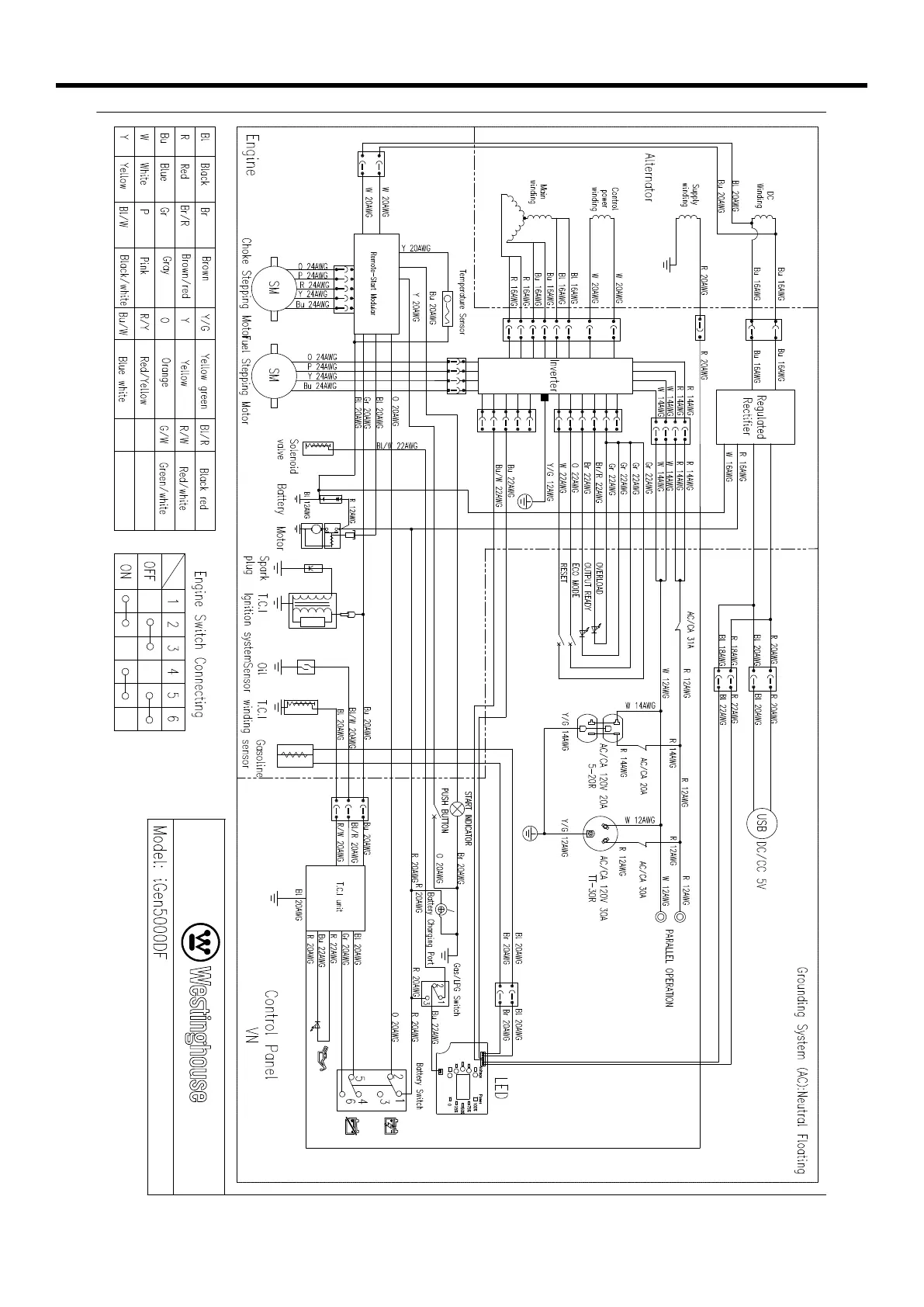
Westinghouse iGen5000DFc - Schematics; Engine; Alternator; Control Panel

Westinghouse iGen5000DFc
92 pages
Print Icon
To Next Page IconTo Next Page
To Next Page IconTo Next Page
To Previous Page IconTo Previous Page
To Previous Page IconTo Previous Page
Loading...
English | 31
SCHEMATICS
M
θ
2
3
4
5
1
θθ