EasyManua.ls Logo

Whirlpool 4322452 - Page 64

Whirlpool 4322452
88 pages
Print Icon
To Next Page IconTo Next Page
To Next Page IconTo Next Page
To Previous Page IconTo Previous Page
To Previous Page IconTo Previous Page
Loading...
Page 4-20
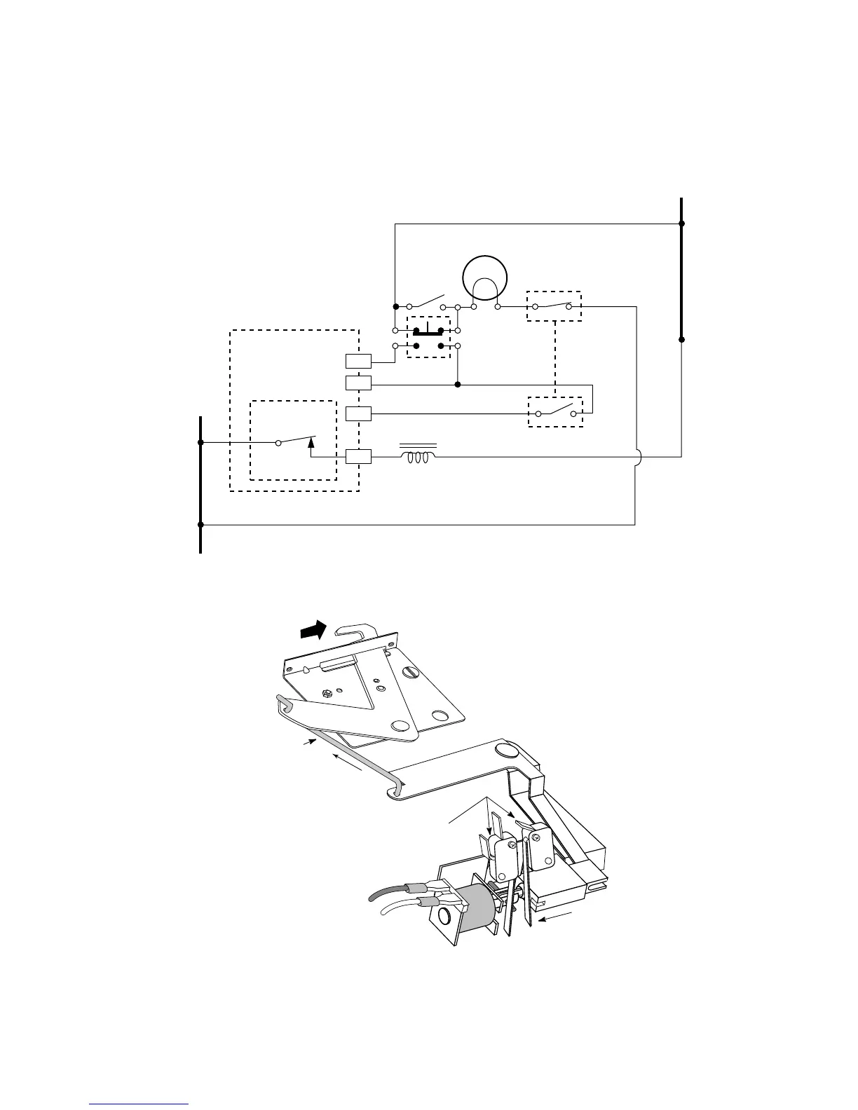
Figure 4-31
L1
N
BK
W
OVEN CONTROL
LATCH SOLENOID
RELAY
LATCH
SOLENOID
P4
P1-3
P1-5
BU
GY
Y
Y
W
W
W
BK
R
DOOR LATCH
SWITCH
DOOR LATCH
SWITCH
DOOR
LIGHT SW.
OVEN LIGHT
MANUAL
OVEN LIGHT
SWITCH
N.O.
N.O.
P1-1
1 SEC PULSE
When the oven temperature reaches 600˚, the oven door cannot be opened until the oven cools
down to below 550˚. At that point, the latch solenoid relay will close for just a second, and provide
a 120 VAC pulse to the latch solenoid (see Figure 4-31). This unlocks the door and toggles the door
latch switches to their normal state.
Solenoid Plunger
Retracted
Actuator Rod
DOOR UNLOCKED
Door Latch
Switches

Table of Contents

Related product manuals