EasyManua.ls Logo

Wilesco D100E - More Light with 2 White Leds

Wilesco D100E
79 pages
Print Icon
To Next Page IconTo Next Page
To Next Page IconTo Next Page
To Previous Page IconTo Previous Page
To Previous Page IconTo Previous Page
Loading...
58
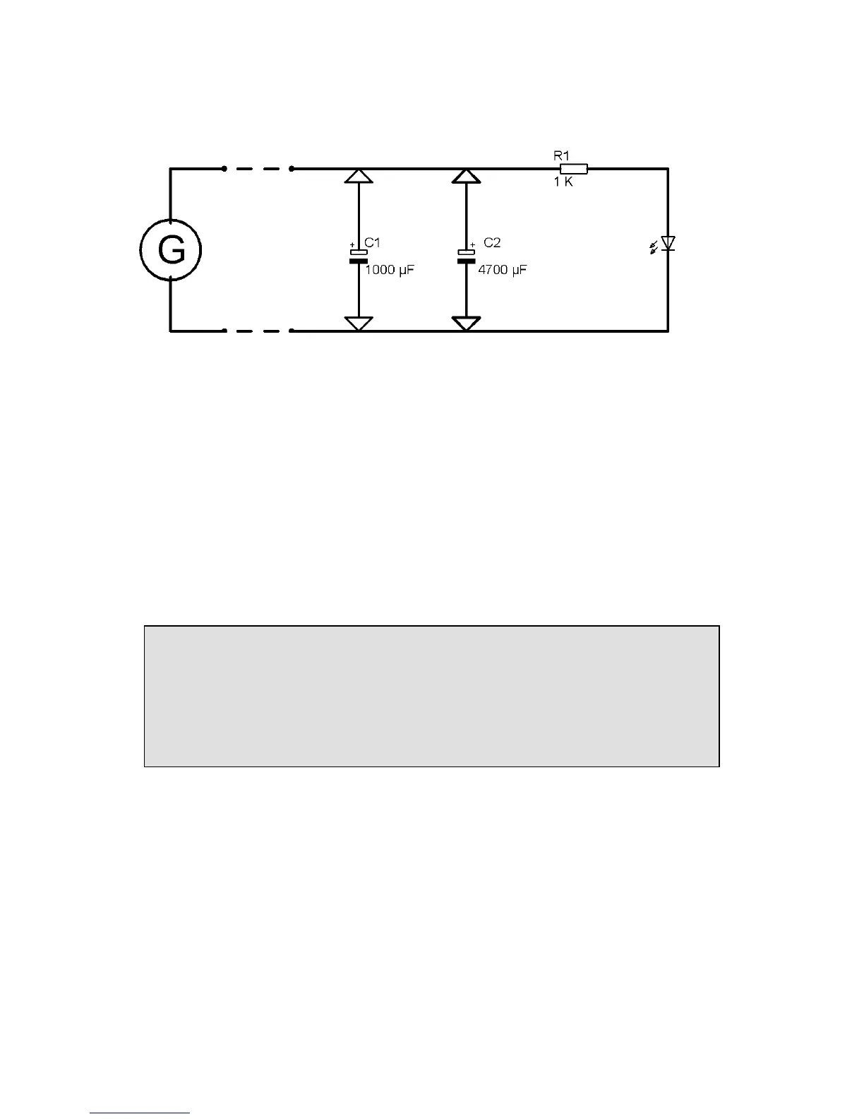
Fig.3.39: circuit diagram, both electrolytic are marked in with an arrow to
show that they are used alternatively
The light of the LED goes out shortly and then starts to flash a little less
bright after plugging in the electrolytic 1000µF. Now you replace the
electrolytic 1000µF with the 4700µF in the next step and a calm light will
shine. If you would measure with an oscilloscope the smoothed voltage you
would almost see no wave at all on the diagram.
Picturing the electronically smoothing process:
To create a picture for the expression smoothing electricity through an
electrolytic we imagine that electricity behaves like water. We can
compare an electrolytic with a water bucket with a hole in the bottom
If you fill intermittently the bucket with a ladle with water, it would
continuously flow out of the hole in an uninterrupted stream.
3.7.1 More light with 2 white LEDs
Assembly of the experiment: components like before, add one white LED
and plug it parallel next to the first one. Both LEDs are connected with the
series resistor 1 K-Ohm (brown, black, red, gold).
D4
LED white

Table of Contents

Related product manuals