EasyManua.ls Logo

WinGD WARTSILA RT-flex58T-E - Page 254

WinGD WARTSILA RT-flex58T-E
504 pages
Print Icon
To Next Page IconTo Next Page
To Next Page IconTo Next Page
To Previous Page IconTo Previous Page
To Previous Page IconTo Previous Page
Loading...
Maintenance34031/A1
RT-flex58T-E
Winterthur Gas & Diesel Ltd.
2/ 7
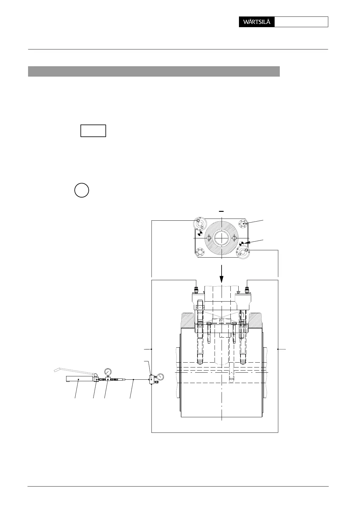
2. Loosening and tensioning the elastic studs of piston rod foot fastening
Please refer to General Application Instructions 94034 for hydraulic pre-tension-
ing jacks.
D Tensioning of elastic studs 6 must be carried out in two steps without excep-
tion, i.e. tension all elastic studs first with 600 bar (1
st
step), then finish ten-
sioning with 1000 bar (2
nd
step).
Based on the markings applied, check by how much the nuts were turned after pre-
tightening (1
st
step) to the 2
nd
step. Tightening angle to be about 25_ for compari-
son.
D Moreover, always carry out loosening and tightening procedures crosswise,
i.e. a/a and b/b for each step.
I
I
A
004.136/99
ARRANGEMENT OF
PRE-TENSIONING JACKS 94340
94931
EV
94932
94935
94934A
94935A 94935A
6
5
a
ab
b
2013 / V2
Piston: Removal and Fitting
CHECK

Table of Contents

Related product manuals