EasyManua.ls Logo

Winget 4B2000 - Page 57

Winget 4B2000
282 pages
Print Icon
To Next Page IconTo Next Page
To Next Page IconTo Next Page
To Previous Page IconTo Previous Page
To Previous Page IconTo Previous Page
Loading...
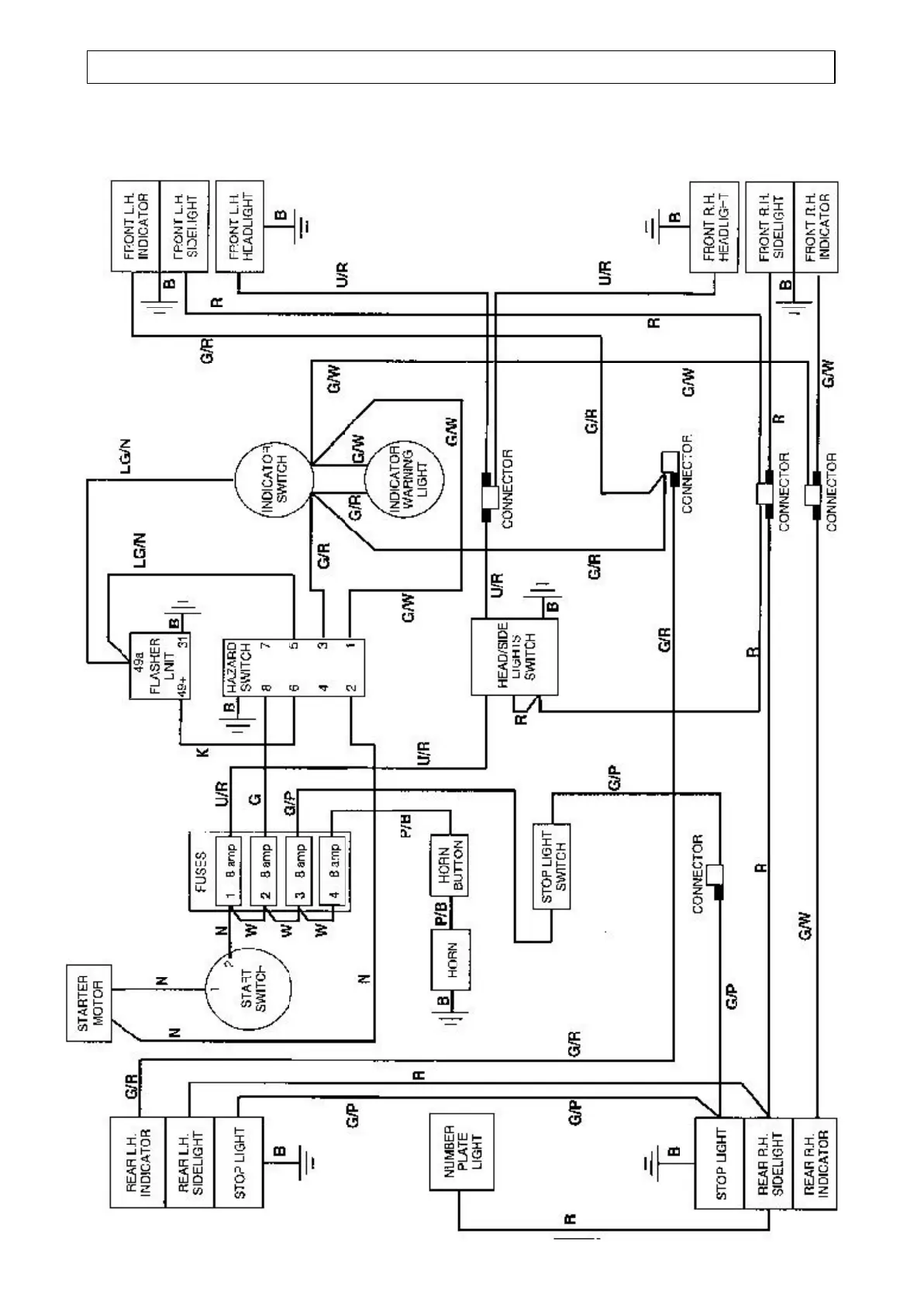
4B2000 dumpers from serial number 0863
4.6 TECHNICAL INFORMATION
ROAD LIGHTS ELECTRICAL CIRCUIT

Related product manuals