EasyManua.ls Logo

WisyCom MCR41 - Page 5

WisyCom MCR41
44 pages
Print Icon
To Next Page IconTo Next Page
To Next Page IconTo Next Page
To Previous Page IconTo Previous Page
To Previous Page IconTo Previous Page
Loading...
rev.12
MCR41-MCR42 User Manual
4
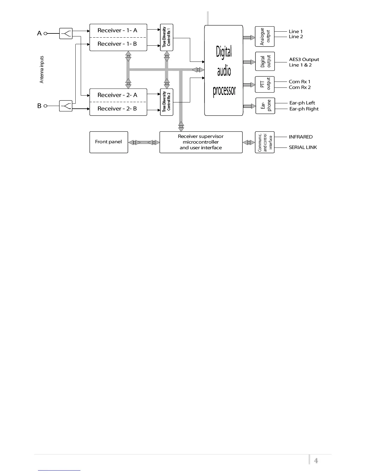
Above a schematic with an overview of main receiver functions.
For each antenna the RF signal is split in the receiver 1 and in the receiver 2 (antenna A and
antenna B) with a wide band splitter. In this way any one receiver could be tuned in any frequency
of the switching range (typ. 240 MHz).
Receiver 1 and 2 are diversity receivers: each one is made of two receivers tuned on the same
frequency, hereafter called section A and section B. The receiver 1 section A and the receiver 2
section A are connected to the antenna A, the receiver 1 section B and the receiver 2 section B are
connected at the antenna B.
Each receiver has its own demodulated signal and its own RSSI signal (Receiver Signal Strength
Indication); a DSP selects or combines signals from section A & B to have the best audio.
The demodulated signal flows to the digital audio processor.
the data sub carrier is digitally filtered to a very selective equivalent bandwidth (3Hz). Each filter
has its own data demodulator, one for medium speed data detection at the output of the first filter
and one at low speed data detection at the output of the second filter. All the two demodulators
are connected to the supervisor micro controller for the data battery detection and signalling.
Digital audio processor: the demodulated signal is filtered by an anti aliasing low pass filter and
then converted in the digital domain with a 96KHz 24bit audio A/D converter. The digital signal
processor (DSP), working in double precision, replicates all the analog functions with very high
accuracy, ultra low distortion and without typical analog problems like components tolerances or
long term drifts or temperature drifts etc. The high speed audio algorithms implemented in
assembler into the MCR42 maintains the audio delay at about 1.3 milliseconds, making it ideally
for live events and to keep audio delay as short as possible. The DSP unit also filters and
demodulates the data carrier and communicates all the parameters and informations to the
supervisor micro controller. The audio output goes to the digital outputs (AES3) or is converted in
the analog domain with a high quality 24 bits 96KHz D/A converter and an anti-aliasing filter.

Related product manuals