EasyManua.ls Logo

WOLSELEY Beermaster Plus Series - Page 34

Default Icon
36 pages
Print Icon
To Next Page IconTo Next Page
To Next Page IconTo Next Page
To Previous Page IconTo Previous Page
To Previous Page IconTo Previous Page
Loading...
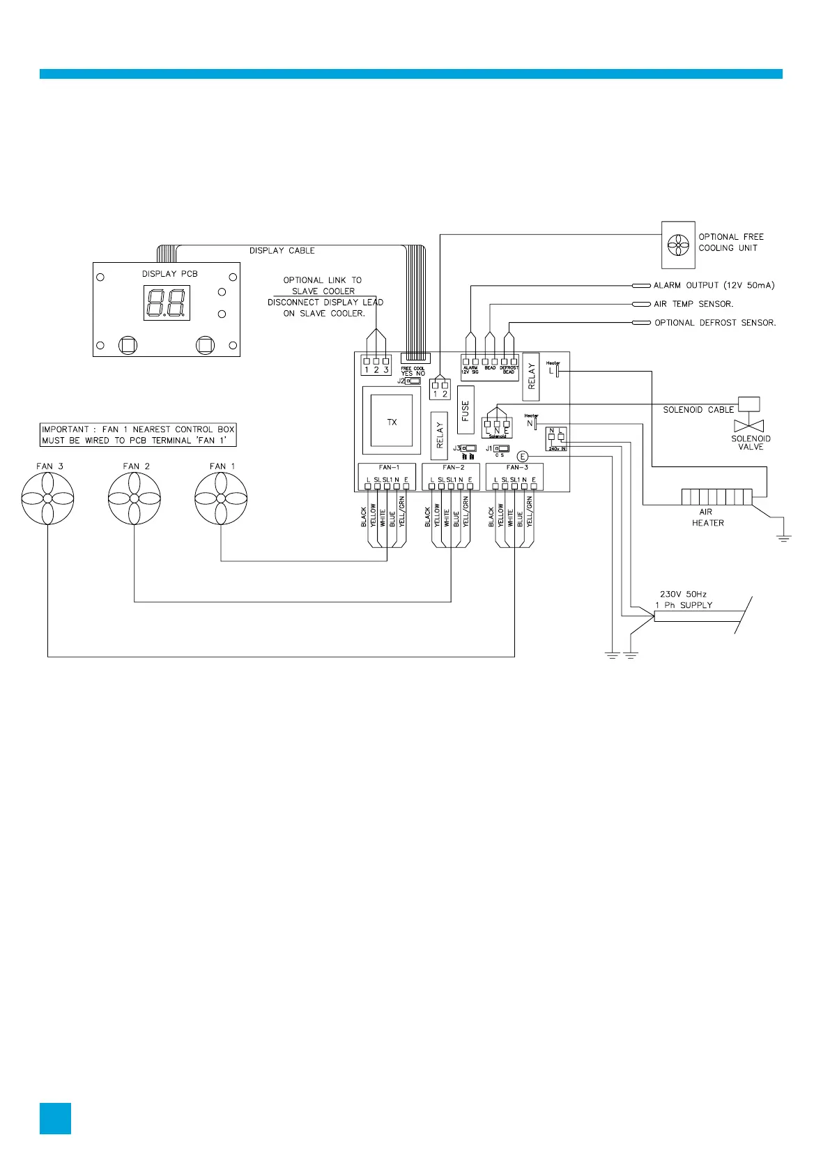
Cooling
34
BMIEP All Units