EasyManua.ls Logo

Woods BATWING BW12E - Page 41

Woods BATWING BW12E
54 pages
Print Icon
To Next Page IconTo Next Page
To Next Page IconTo Next Page
To Previous Page IconTo Previous Page
To Previous Page IconTo Previous Page
Loading...
Parts 41
MAN1126 (1/9/2015)
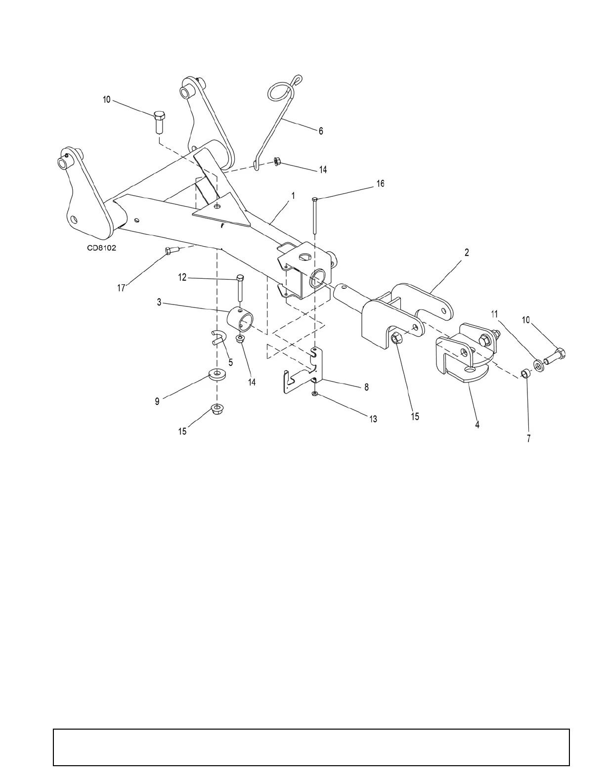
1035099 TONGUE ASSEMBLY
REF PART QTY DESCRIPTION
1
1038050RP
1 BW12 Tongue
2
1035096RP
1 BW12 Level hitch
3
1038875RP
1 52.3 x 63.5 x 50.8 mm (2.06" x 2.5" x
2.00") Sleeve
4
1038085RP
1 BW12 Catg 2 Clevis
5 19407 1 Safety chain asy
6 3443 1 Hydraulic hose holder
7 13087 2 19.1 x 25.4 x 14.3 mm (3/4" x 1" x 9/
16") Sleeve HT
8
1038072RP
1 CV drive holder
9 8424 1 19.1 x 38.1 x 9.5 mm (3/4ID 20D 3/
8") Washer, thick
10 13759 * 3 3/4 NC x 2-1/4 HHCS GR5 ZP
11 28873 2 3/4ID 1-1/20D 1/4 Washer, thick
12 14069 * 1 1/2 NC x 3-1/4 HHCS
13 14139RP * 1 5/16 NC Flanged lock nut HD ZP
14 11900RP * 2 1/2 NC Flanged lock nut
15 302207 * 3 3/4 NC Flanged lock nut
16 58423 * 1 5/16 NC x 5 HHCS GR5 ZP
17 6100RP * 1 1/2 NC x 1-1/4 HHCS GR5 ZP
HHCS Hex Head Cap Screw
* Standard hardware, obtain locally
REF PART QTY DESCRIPTION

Related product manuals