EasyManua.ls Logo

WPG P1HV1102DC3 - Page 6

WPG P1HV1102DC3
43 pages
Print Icon
To Next Page IconTo Next Page
To Next Page IconTo Next Page
To Previous Page IconTo Previous Page
To Previous Page IconTo Previous Page
Loading...
P1-02DC3: #35122 Rev 2.2/12-214
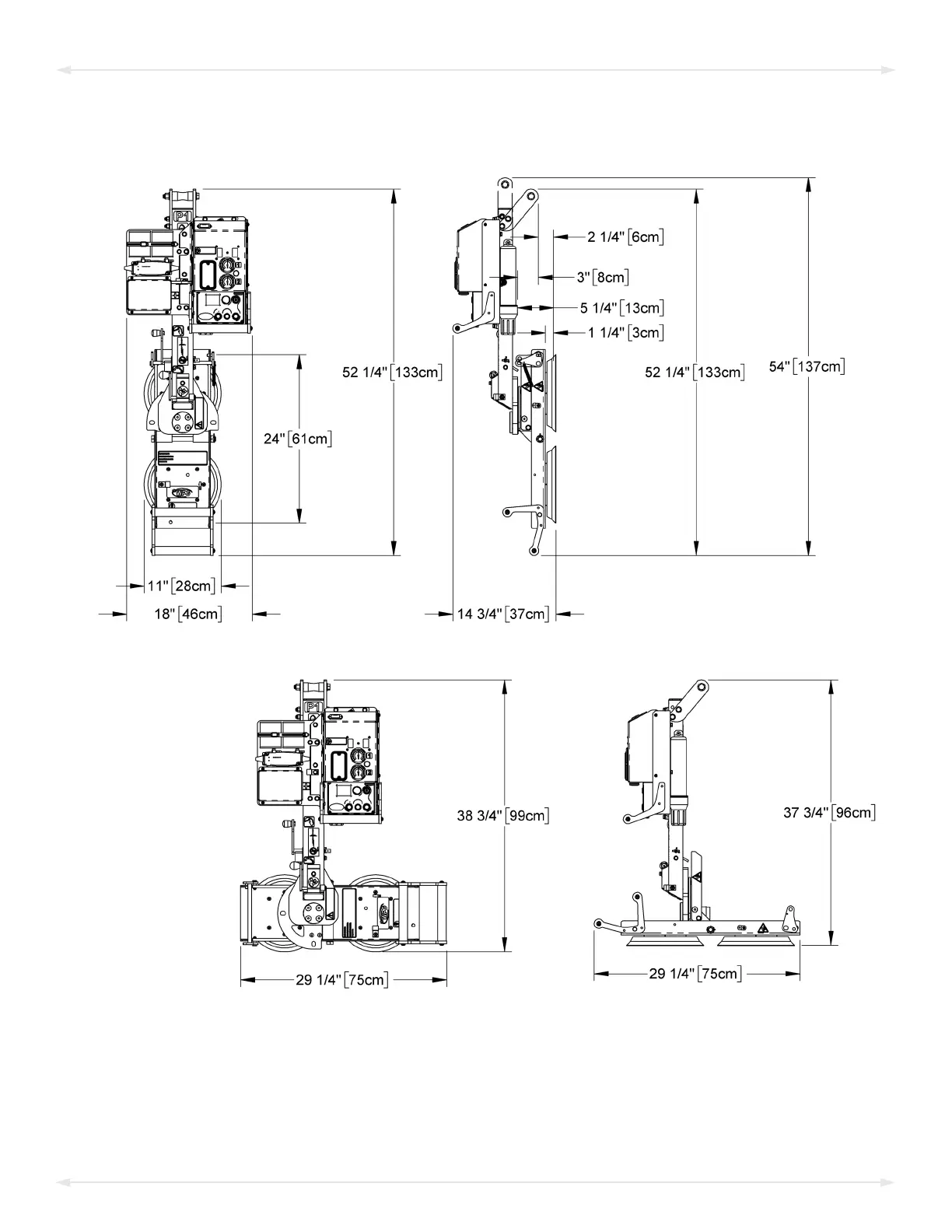
Note: A standard P1HV1102DC3 is shown.
SPECIFICATIONS