EasyManua.ls Logo

Wulfsberg FLEXCOMM 2000 - Page 75

Wulfsberg FLEXCOMM 2000
81 pages
Print Icon
To Next Page IconTo Next Page
To Next Page IconTo Next Page
To Previous Page IconTo Previous Page
To Previous Page IconTo Previous Page
Loading...
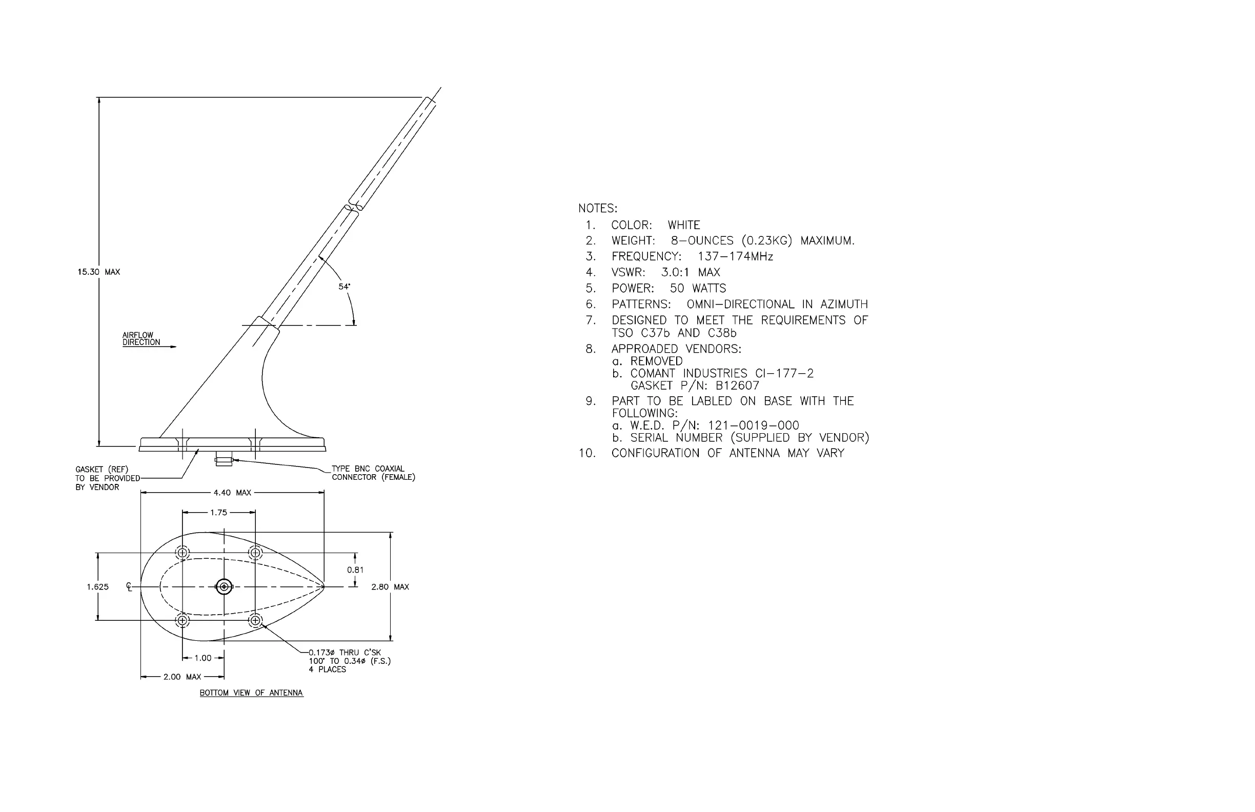
Publication No. 150-049106 Page 29/30
Section 2 – Installation
Figure 2-5. AT-695 Outline Drawing (Sheet 1 of 1) (Dwg. No. 121-0019-000, Rev H)
These commodities, technology or software are controlled in accordance with the United
States Export Administration Regulations, Export Classification Control Number (ECCN)
7E994. When exporting, diversion contrary to U.S. law is prohibited.

Related product manuals