EasyManua.ls Logo

Xtender XTS 900-12 - Remote Entry (Remote Control On;Off); XTH Model; XTM and XTS Models

Xtender XTS 900-12
56 pages
Print Icon
To Next Page IconTo Next Page
To Next Page IconTo Next Page
To Previous Page IconTo Previous Page
To Previous Page IconTo Previous Page
Loading...
Studer Innotec SA
Xtender
User manual V4.6.0 32
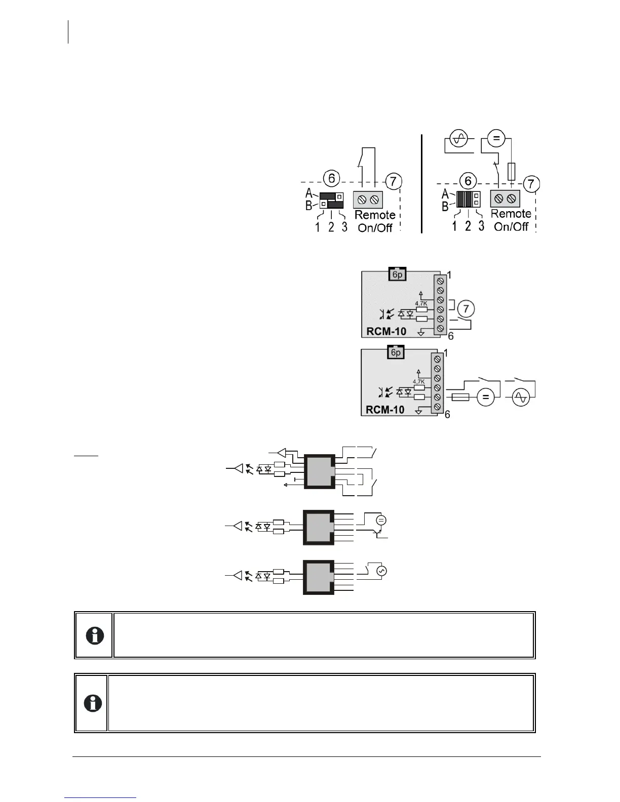
7.7 REMOTE ENTRY (REMOTE CONTROL ON/OFF)
The Xtender has one remote entry that can be assigned to a function and programmed with the
remote control RCC-02/-03 (see chapter 14.13.1 in the RCC-02/-03 user manual). By default, no
function is defined for the remote entry.
7.7.1
XTH model
The cabling of the remote entry is done at
the terminals (7). The jumpers (6) should be
positioned correctly in function of the
desired configuration according to the
figures to the right.
Control by dry contact: the jumpers remain
in their original position, A1-2 and B2-3.
Control by a voltage (max 60V eff. / 30mA):
the jumpers are set to A1-B1 and A2-B2.
7.7.2
XTM and XTS models
For the XTM and XTS model Xtenders, the remote entry is
available on the external (XTM) or internal (XTS) J-11/6p (15)
connector to which the external module RCM-10 is attached
(optional accessory), see chap. 9.3, p. 39.
Control by dry contact: make a bridge between terminal 3
and 4 and wire the dry contact between 5 and 6.
Control by a voltage: supply an AC or DC voltage of 6 to 60V
effective between terminals 4 and 5.
Note: on the XTM and XTS
model Xtenders, it is also
possible to achieve this control
function and on/off command
(see chap. 9.3.1) without the
RCM module. This is done by
wiring directly at the RJ11 6p
connector, as shown to the
right.
In a multi-unit system, the function assigned to the remote entry has to be the same for all
inverters in the system. Only one of the inverters needs to be cabled to assign the selected
function for all inverters in a system.
If this function is used in the mode active when contact is open (such as the emergency
stop, for example), the unused remote entries (in the other units) should be bridged
(equivalent to closed contact). The dedicated functionality will then be activated when the
drive contact opens which is connected to one of the units.
6
1
6p
6
1
6p
6
1
6p
+
_
Main ON/OFF (only with
dry contact)
Remote entry with dry
contact
Remote entry with external
DC source. Max. 60V eff.
Remote entry with external
AC source. Max. 60V eff.

Table of Contents

Related product manuals