EasyManua.ls Logo

Yamaha 85AED - Exploded Diagram (for Us)

Yamaha 85AED
329 pages
Print Icon
To Next Page IconTo Next Page
To Next Page IconTo Next Page
To Previous Page IconTo Previous Page
To Previous Page IconTo Previous Page
Loading...
4-12
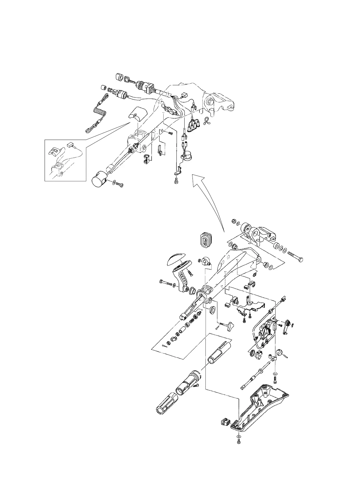
6X4 MULTI-FUNCTION TILLER HANDLE
EXPLODED DIAGRAM (FOR US)
EX: F50B/F60B/F70A

Table of Contents

Other manuals for Yamaha 85AED

Related product manuals