EasyManua.ls Logo

Yamaha 85AED - Dual Station W; 6 Y9 Gauge Single Engine Application

Yamaha 85AED
329 pages
Print Icon
To Next Page IconTo Next Page
To Next Page IconTo Next Page
To Previous Page IconTo Previous Page
To Previous Page IconTo Previous Page
Loading...
7-34
(*4)
18
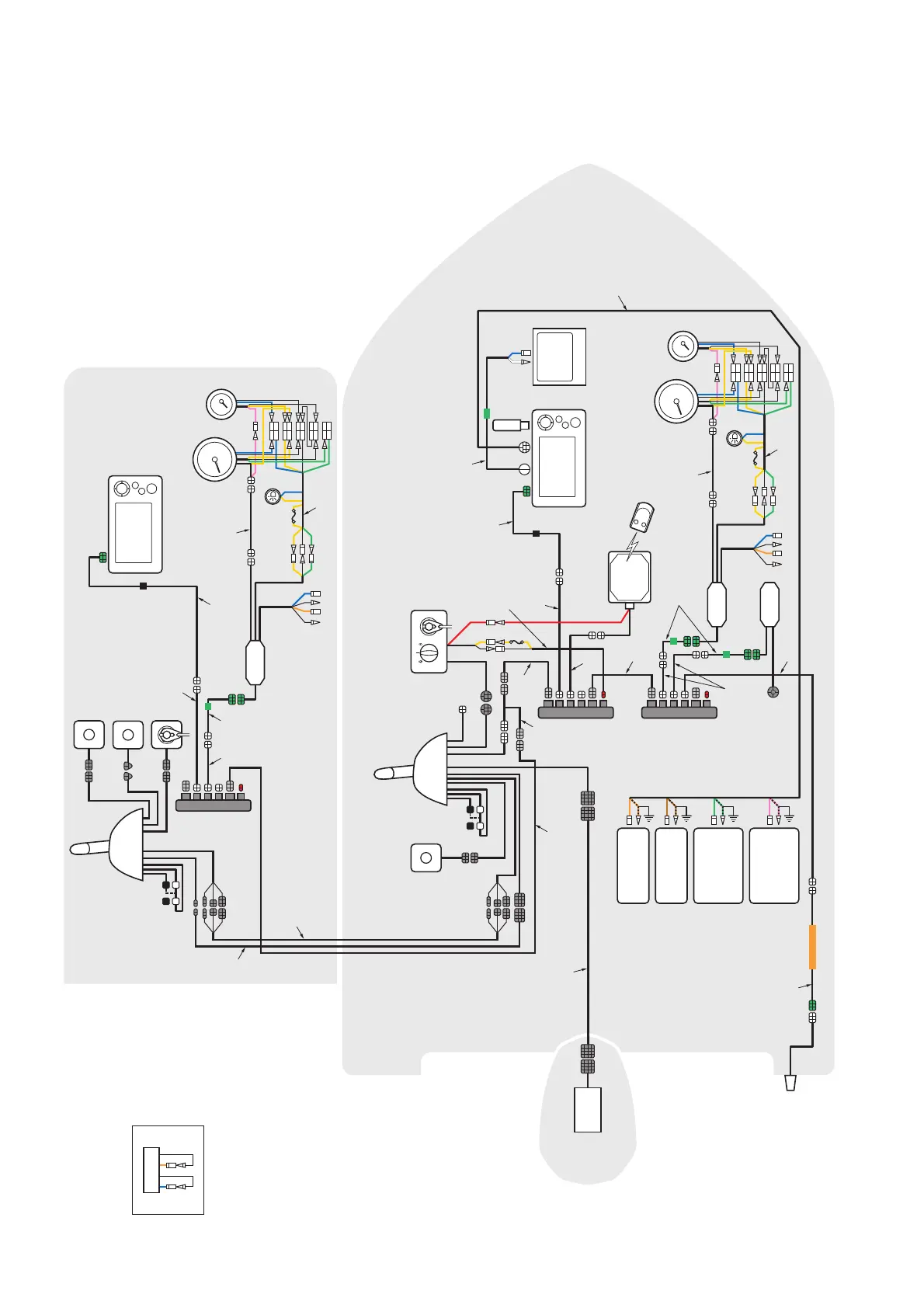
Fuel tank 2
Fuel tank 1
USB
21
20
GPS
To NMEA2000
Network
(*3)
Freshwater
tank
Sewage
tank
31
21
(*3)
18
(*1) For previous digital electronic
controlled engine
(*2) For previous network system (6Y8)
(*3) Engine selection for tachometer
(*4) Connect the sensor ground
leads to the ground
(negative circuit on the battery)
30
40
ECM
(*2)
(*1)
22
(*1)
54
16
16
16
5
27
28
54
41
42
23
24
26
4
3
23
24
26
25
6
19
1
25
13
13
12
12
14
13
13
4
11
5
12
13
13
10
(+) (GND)
2nd station helm
Main station helm
NETWORK WIRING DIAGRAMS
DUAL STATION W/ 6Y9 GAUGE SINGLE ENGINE APPLICATION

Table of Contents

Other manuals for Yamaha 85AED

Related product manuals