EasyManua.ls Logo

Yamaha CRX-E150 - Getting Started: Component Integration; Connecting External Components

Yamaha CRX-E150
28 pages
Print Icon
To Next Page IconTo Next Page
To Next Page IconTo Next Page
To Previous Page IconTo Previous Page
To Previous Page IconTo Previous Page
Loading...
7
English
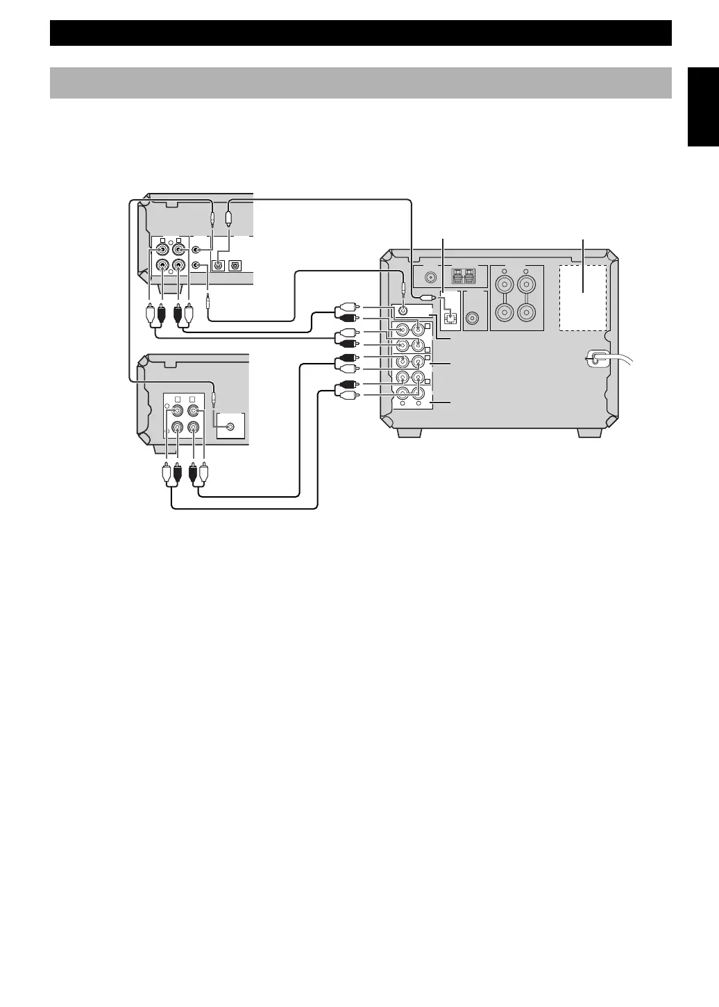
Connecting other components
To enhance your system, you can connect other component. Refer to the instructions of each component.
Connecting KX-E100 and MDX-E100
GETTING STARTED
1 Connect Å to Å, and ı to ı (for connecting KX-E100), Ç to Ç and Î to Î (for connecting MDX-E100) using
RCA pin cable.
2 Connect DIGITAL OPTICAL OUT of CRX-E150 to DIGITAL OPTICAL IN of MDX-E100.
Take off the covers of the optical fiber cable plug, the DIGITAL OPTICAL OUT jack, and the DIGITAL OPTICAL
IN jack before making digital connections. Be sure to replace the terminals cover when the terminal on the rear panel
is not being used, in order to protect from dust.
3 Connect an external component to the AUX terminal of CRX-E150.
4 Connect CRX-E150 and KX-E100 or MDX-E100 with the system control cable.
The connection using the SYSTEM CONNECTOR jack allows you to control this unit as well as the connected
components of YAMAHA PianoCraft series.
If your system does not include MDX-E100, connect CRX-E150 and KX-E100 directly.
5 AC OUTLET <Except for the U.K. model>
Connect the AC power plug of MDX-E100 to the AC outlet of CRX-E150. Then connect the plug of KX-E100 to the
AC outlet of MDX-E100.
If your system does not include MDX-E100, connect the plug of KX-E100 to the AC outlet of CRX-E150.
Caution
Never turn CRX-E150 on until all connections between components have been completed.
Never connect or disconnect the system control cable and/or power cord while the system components are turned on.
Optical fiber cable (EIA standard)
(commercially available)
RCA pincables
System
Controlcable
(supplied with
KX-E100)
System Controlcable
(supplied with MDX-
E100)
OUT
A
L
IN
B
R
SYSTEM
CONNECTOR
+
−
OUT OUT
FM ANT
OPTICAL
GND AM ANT
SPEAKERS
RL
75
UNBAL.
6
MIN. /SPEAKER
CLASS 2 WIRING
SYSTEM CONNECTOR
SUBWOOFER
DIGITAL
IN
TAPE
OUT
IN
IN
OUT
AUX
D
A
B
L
R
C
MD
ANALOG DIGITAL
OPTICAL
IN
L
D
OUT
1
IN
2
R
C
SYSTEM
CONNECTOR
<MDX-E100>
<KX-E100>
<CRX-E150>
2
5
3
4
To wall
outlet
1

Other manuals for Yamaha CRX-E150

Related product manuals