EasyManua.ls Logo

Yamaha EF7200DE - Wiring Diagram; Ef7200 De

Yamaha EF7200DE
64 pages
Print Icon
To Next Page IconTo Next Page
To Next Page IconTo Next Page
To Previous Page IconTo Previous Page
To Previous Page IconTo Previous Page
Loading...
– 55 –
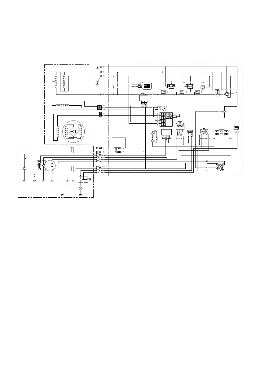
WIRING DIAGRAM
EF7200DE
1 Rotor assembly
2 Exciter coil
3 Sub coil
4 Main coil
5 Stator assembly
6 Voltage/hour meter
7 AC switch (N.F.B.)
8 G.F.C.I. receptacle
9 AC receptacle
0 Starter switch
q Rectifier
w Engine switch
e Remote control terminal
r Fuse
t Rectifier/regulator
y Voltage adjuster
u Condenser
i AVR
Color code
B Black
Br Brown
G Green
L Blue
Lg Light green
O Orange
R Red
W White
Y Yellow
B/W Black/White
G/R Green/Red
G/Y Green/Yellow
L/R Blue/Red
L/W Blue/White
R/B Red/Black
R/G Red/Green
R/W Red/White
o Oil warning unit
p Oil warning light
a Economy control unit
s Solenoid valve
d Economy control switch
f Starter relay
g Starter motor
h Carburetor solenoid valve
j Battery
k Charging coil
l T.C.I. unit
; Spark plug
z Oil level switch
1
2
4
5
6
7
7
7 7 7
8 8
9
9
q
e
r
y
t
u
o
p
s
d
f
g
h
j
k
l
;
z
a
i
0
3
w
7P6-F8199-13.indd 55 2019/12/18 11:23:29

Related product manuals