EasyManua.ls Logo

Yamaha NX-E130 - Connexions; Exemple de Raccordement de Base

Yamaha NX-E130
100 pages
Print Icon
To Next Page IconTo Next Page
To Next Page IconTo Next Page
To Previous Page IconTo Previous Page
To Previous Page IconTo Previous Page
Loading...
Français
F-7
B
A
MAIN
CENTER
R L
SUB
WOOFER
OUTPUT
SPEAKERS
REAR
(SURROUND)
REAR
CENTER
CENTER
R L
INPUT2
/MONO
AUTO
STANDBY
OFF
LOW
HIGH
OFF
POWER
ON
VOLUME
010
INPUT
/MONO
FRONT RFRONT R
FRONT LFRONT L
REAR LREAR L
REAR RREAR R
REAR C REAR C
CENTER CENTER
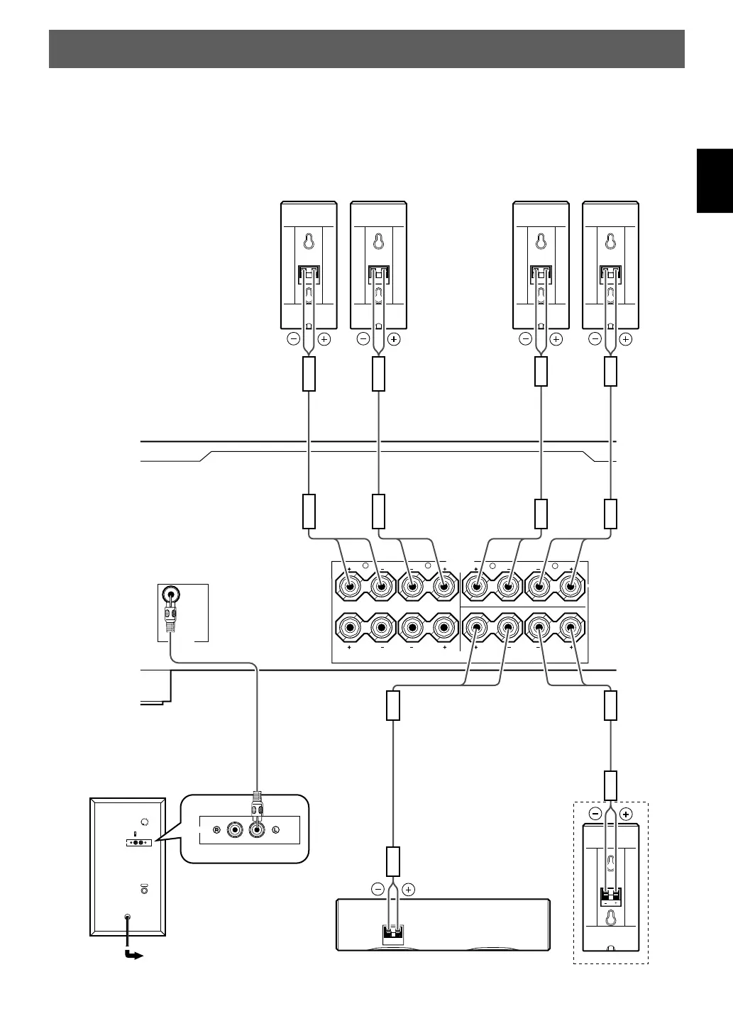
CONNEXIONS
Attention: Brancher le subwoofer et les autres composants audio/vidéo après
avoir accompli tous les raccordements.
Exemple de raccordement de base
Subwoofer
Amplificateur
Vers une prise CA
Enceinte centrale
GaucheDroite
Enceintes principales
Enceinte arrière centrale
(pour le NS-P106)
Enceintes arrières
GaucheDroite
NS-P100-106 FRE(03.2.20)a 03.2.25, 1:00 PM7

Table of Contents

Related product manuals