EasyManua.ls Logo

Yamaha NX-E130 - Collegamenti; Un Esempio DI Collegamenti DI Base

Yamaha NX-E130
100 pages
Print Icon
To Next Page IconTo Next Page
To Next Page IconTo Next Page
To Previous Page IconTo Previous Page
To Previous Page IconTo Previous Page
Loading...
Italiano
I-7
B
A
MAIN
CENTER
R L
SUB
WOOFER
OUTPUT
SPEAKERS
REAR
(SURROUND)
REAR
CENTER
CENTER
R L
INPUT2
/MONO
AUTO
STANDBY
OFF
LOW
HIGH
OFF
POWER
ON
VOLUME
010
INPUT
/MONO
FRONT RFRONT R
FRONT LFRONT L
REAR LREAR L
REAR RREAR R
REAR C REAR C
CENTER CENTER
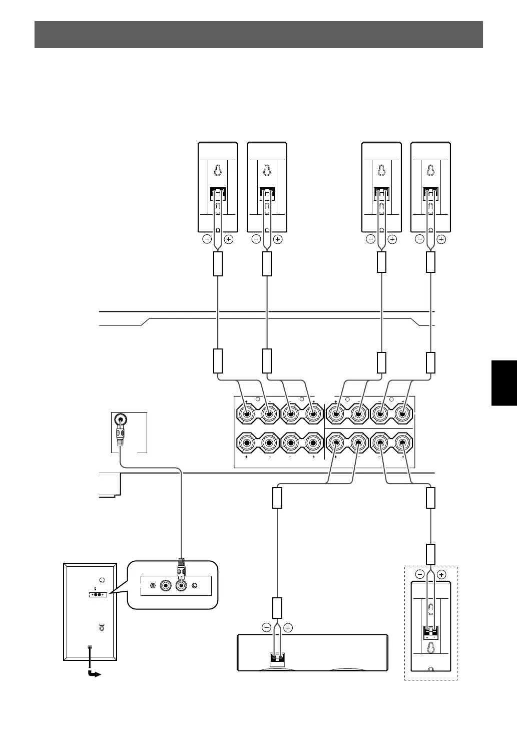
COLLEGAMENTI
Attenzione: Prima di inserire la spina del cavo di alimentazione del subwoofer
e degli altri componenti audio e video nella presa di corrente alternata di rete
è assolutamente necessario che siano stati completati tutti i collegamenti.
Un esempio di collegamenti di base
Subwoofer
Amplificatore
Ad una presa di
corrente di rete
Altoparlante centrale
SinistroDestro
Altoparlanti principali
Altoparlante posteriore
centrale (per il modello
NS-P106)
SinistroDestro
Altoparlanti posteriori
NS-P100-106 ITA(03.2.20)a 03.2.25, 1:01 PM7

Table of Contents

Related product manuals