EasyManua.ls Logo

Yamaha NX-E130 - Anschlußbeispiel; Anschlüsse

Yamaha NX-E130
100 pages
Print Icon
To Next Page IconTo Next Page
To Next Page IconTo Next Page
To Previous Page IconTo Previous Page
To Previous Page IconTo Previous Page
Loading...
Deutsch
D-7
B
A
MAIN
CENTER
R L
SUB
WOOFER
OUTPUT
SPEAKERS
REAR
(SURROUND)
REAR
CENTER
CENTER
R L
INPUT2
/MONO
AUTO
STANDBY
OFF
LOW
HIGH
OFF
POWER
ON
VOLUME
010
INPUT
/MONO
FRONT RFRONT R
FRONT LFRONT L
REAR LREAR L
REAR RREAR R
REAR C REAR C
CENTER CENTER
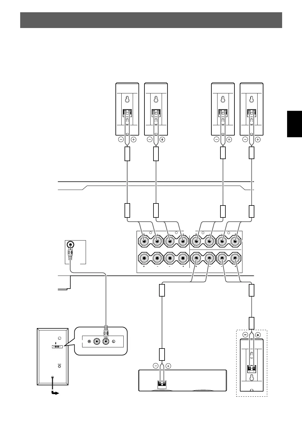
ANSCHLÜSSE
Vorsicht: Der Netzstecker des Subwoofers und der anderen Audio-/Video-
Komponenten darf erst angeschlossen werden, nachdem alle anderen
Anschlüsse richtig ausgeführt worden sind.
Anschlußbeispiel
Subwoofer
Verstärker
zur
Netzsteckdose
Centerlautsprecher
linksrechts
Haupt-
Lautsprecherpaar
Hinterer
Centerlautsprecher
(für NS-P106)
linksrechts
Hinteres
Lautsprecherpaar
NS-P100-106 GER(03.2.20)a 03.2.25, 1:00 PM7

Table of Contents

Related product manuals