EasyManua.ls Logo

Yamaha NX-E130 - Aansluitingen; Een Voorbeeld Van Standaardaansluitingen

Yamaha NX-E130
100 pages
Print Icon
To Next Page IconTo Next Page
To Next Page IconTo Next Page
To Previous Page IconTo Previous Page
To Previous Page IconTo Previous Page
Loading...
Nederlands
N-7
B
A
MAIN
CENTER
R L
SUB
WOOFER
OUTPUT
SPEAKERS
REAR
(SURROUND)
REAR
CENTER
CENTER
R L
INPUT2
/MONO
AUTO
STANDBY
OFF
LOW
HIGH
OFF
POWER
ON
VOLUME
010
INPUT
/MONO
FRONT RFRONT R
FRONT LFRONT L
REAR LREAR L
REAR RREAR R
REAR C REAR C
CENTER CENTER
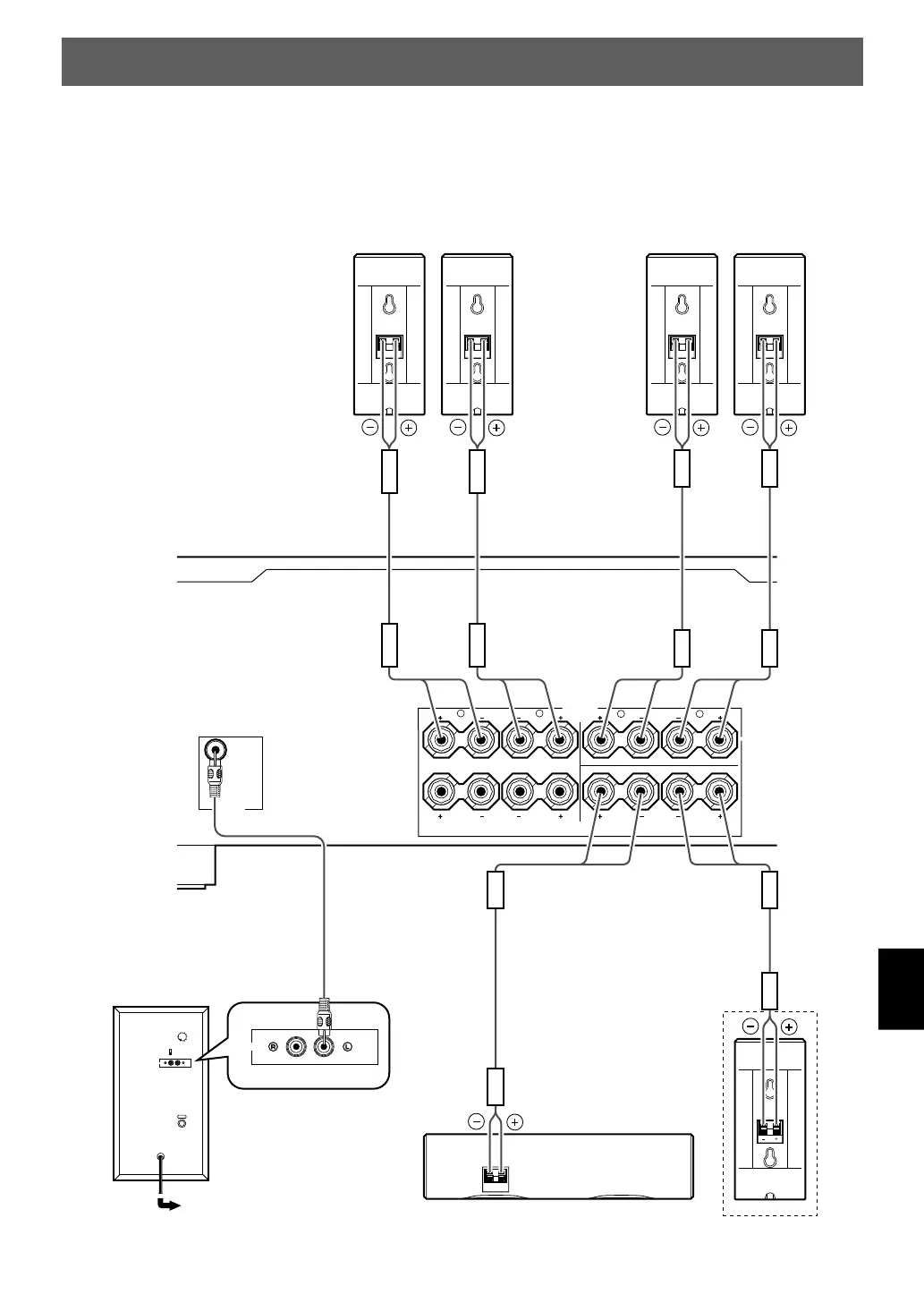
AANSLUITINGEN
Let op: De stekker van de subwoofer en overige audio/video componenten pas
insteken nadat alle aansluitingen tot stand gebracht zijn.
Een voorbeeld van standaardaansluitingen
Subwoofer
Versterker
Naar
stopcontact
Middenluidspreker
LinksRechts
Hoofdluidsprekers
Achter-
middenluidspreker
(voor NS-P106)
LinksRechts
Achterluidsprekers
NS-P100-106 DUT(03.2.20)a 03.2.25, 1:01 PM7

Table of Contents

Related product manuals