EasyManua.ls Logo

Yamaha NX-E130 - Conexiones; Un Ejemplo de Conexiones Básicas

Yamaha NX-E130
100 pages
Print Icon
To Next Page IconTo Next Page
To Next Page IconTo Next Page
To Previous Page IconTo Previous Page
To Previous Page IconTo Previous Page
Loading...
Español
S-7
B
A
MAIN
CENTER
R L
SUB
WOOFER
OUTPUT
SPEAKERS
REAR
(SURROUND)
REAR
CENTER
CENTER
R L
INPUT2
/MONO
AUTO
STANDBY
OFF
LOW
HIGH
OFF
POWER
ON
VOLUME
010
INPUT
/MONO
FRONT RFRONT R
FRONT LFRONT L
REAR LREAR L
REAR RREAR R
REAR C REAR C
CENTER CENTER
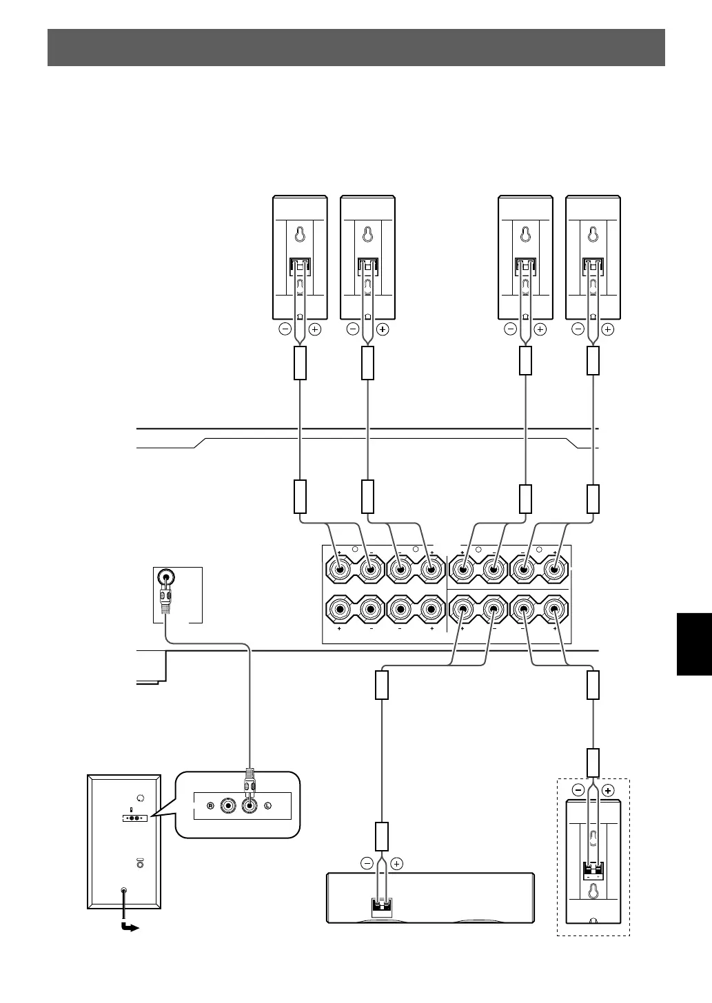
CONEXIONES
Precaución: Enchufe el altavoz ultragraves y otros componentes de audio/
video después de que haya finalizado todas las conexiones.
Un ejemplo de conexiones básicas
Altavoz
ultragraves
Amplificador
Al tomacorriente
Altavoz central
IzquierdoDerecho
Altavoces principales
Altavoz central trasero
(para NS-P106)
Izquierdo
Derecho
Altavoces traseros
NS-P100-106 SPA(03.2.20)a 03.2.25, 1:01 PM7

Table of Contents

Related product manuals