EasyManua.ls Logo

Yamaha NX-E130 - Anslutningar; Ett Exempel På Grundläggande Anslutningar

Yamaha NX-E130
100 pages
Print Icon
To Next Page IconTo Next Page
To Next Page IconTo Next Page
To Previous Page IconTo Previous Page
To Previous Page IconTo Previous Page
Loading...
Svenska
V-7
B
A
MAIN
CENTER
R L
SUB
WOOFER
OUTPUT
SPEAKERS
REAR
(SURROUND)
REAR
CENTER
CENTER
R L
INPUT2
/MONO
AUTO
STANDBY
OFF
LOW
HIGH
OFF
POWER
ON
VOLUME
010
INPUT
/MONO
FRONT RFRONT R
FRONT LFRONT L
REAR LREAR L
REAR RREAR R
REAR C REAR C
CENTER CENTER
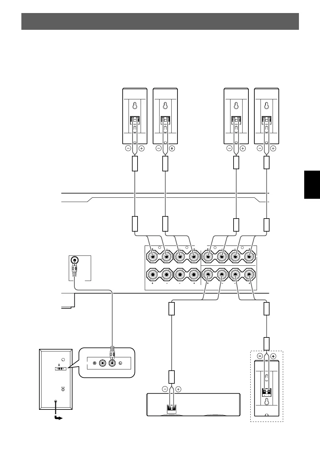
ANSLUTNINGAR
Observera: Anslut subwooferhögtalaren och andra audio/videoapparater efter
att samtliga andra anslutningar är klara.
Ett exempel på grundläggande anslutningar
Subwoofer-
högtalare
Förstärkare
Till nätuttag
Mitthögtalare
Vänster
Höger
Huvudhögtalare
Bakre mitthögtalare
(för NS-P106)
VänsterHöger
Bakre högtalare
NS-P100-106 SWE(03.2.20)a 03.2.25, 1:00 PM7

Table of Contents

Related product manuals