EasyManua.ls Logo

Yanmar 3JH4CE - 5.5 Crankshaft and Main Bearing

Yanmar 3JH4CE
214 pages
Print Icon
To Next Page IconTo Next Page
To Next Page IconTo Next Page
To Previous Page IconTo Previous Page
To Previous Page IconTo Previous Page
Loading...
5. Inspection and Servicing of Basic Engine Parts
96
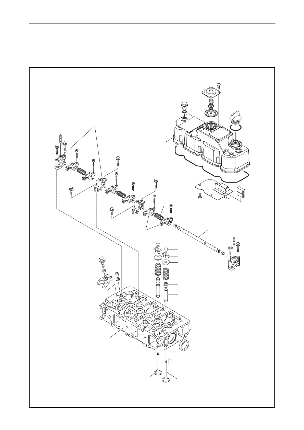
5.2 Cylinder Head
The cylinder head is of 3-cylinder integral construction, mounted with 14 bolts. Special alloy stellite with
superior resistance to heat and wear is fitted on the seats, and the area between the valves is cooled by
the water jet.
(2-Valve cylinder head)
Rocker arm support
Rocker arm
Rocker arm shaft
Valve cap
Cotter
Spring retainer
Valve spring
Stem seal
Valve guide
Cylinder head
Exhaust valve
Suction valve
Rocker arm
cover
Rocker arm spring

Table of Contents

Related product manuals