EasyManua.ls Logo

Yanmar 3JH4CE - Fuel Injection Pump Structure

Yanmar 3JH4CE
214 pages
Print Icon
To Next Page IconTo Next Page
To Next Page IconTo Next Page
To Previous Page IconTo Previous Page
To Previous Page IconTo Previous Page
Loading...
6. FUEL INJECTION EQUIPMENT
125
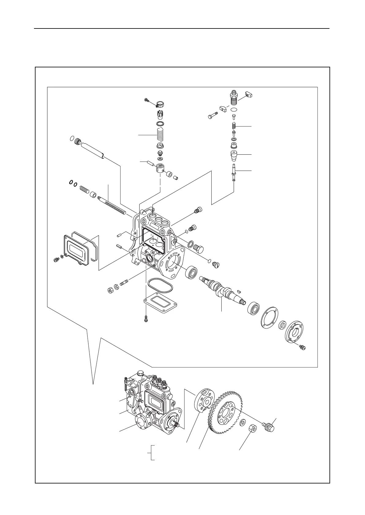
6.1.3 Fuel injection pump structure
(1) Component
Control rack
Tappet
Plunger spring
Delivery valve
Barrel
Plunger
Camshaft
Pump flange bolt
Drive gear nut
Fuel pump drive gear
Pump flange bolts
Pump flange
Feed pump
Don't disassemble!
Fuel injection pump
Governor

Table of Contents

Related product manuals