EasyManua.ls Logo

Yanmar 4JH3BE - 7-4 Sender unit Oor the cooling water temperature gauge

Yanmar 4JH3BE
284 pages
Print Icon
To Next Page IconTo Next Page
To Next Page IconTo Next Page
To Previous Page IconTo Previous Page
To Previous Page IconTo Previous Page
Loading...
Chapter 9 Electrical
System
.;.7;..
.;.W;..;a;;.r.;.;n.;;;;in..;:;ga:...;;;.D...;;e..;.v;;.;ic..;.e.;.s
__________________________
3,4JH3(B)(C)E
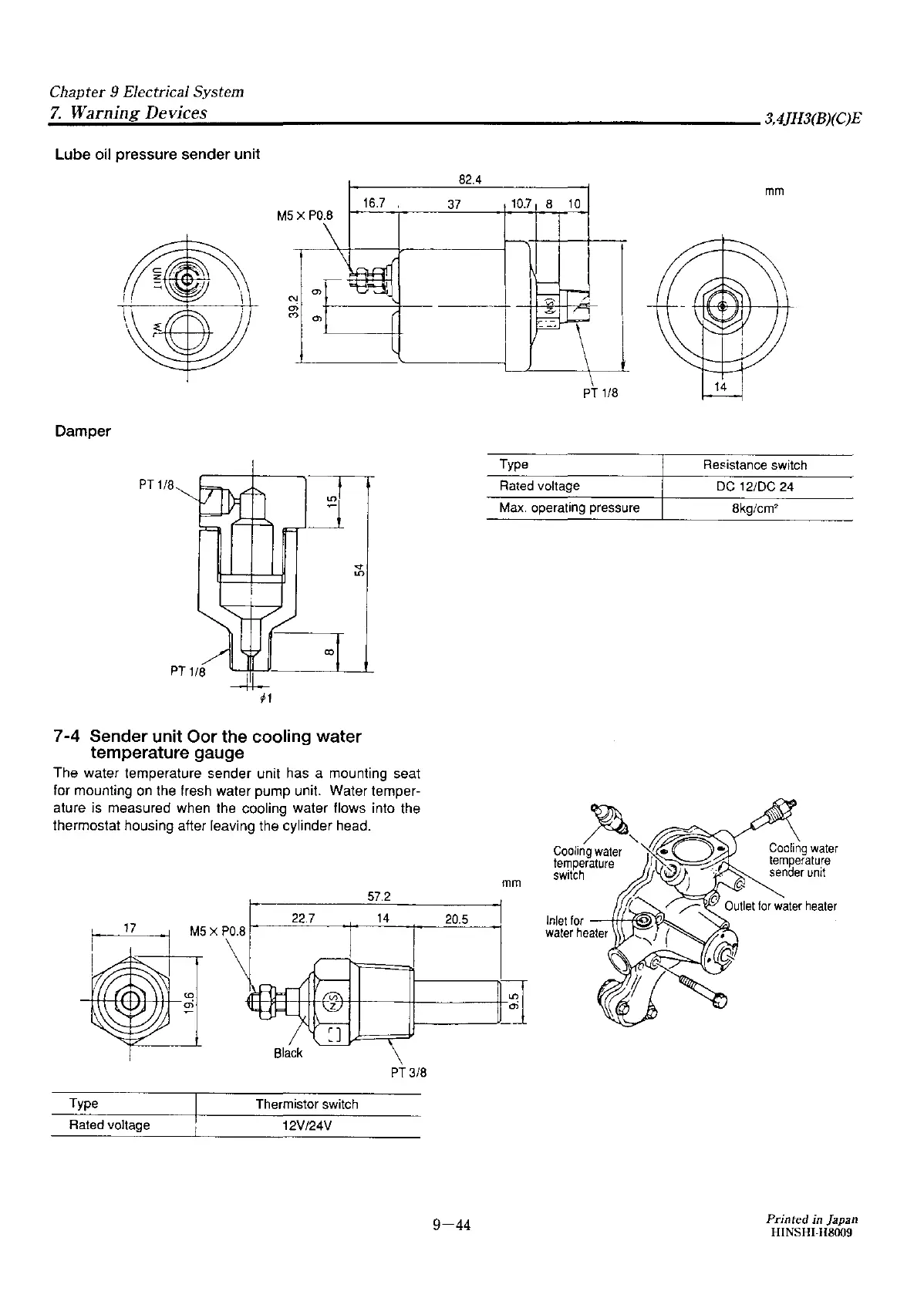
Lube oil pressure sender unit
16.7 ,
Damper
PT
1/8
MS
x
P0.8
'Sf"
lO
7-4
Sender unit Oor the cooling water
temperature gauge
The water temperature sender unit has a mounting seat
for mounting
on
the fresh water pump unit. Water temper-
ature is measured when the cooling water flows into the
thermostat housing after leaving the cylinder head.
57.2
22.7
14
17
MS
X
P0.8
Black
PT3/8
Type
Thermistor switch
Rated voltage
12V/24V
82.4
37
20.5
9-44
10.7
8
10
PT
118
Type
Rated voltage
Max.
operating pressure
mm
~'
Cooling
water
temperature
switch
Inlet
for
~itt~;?l\;¾...
water
heater
mm
Resistance switch
DC 12/DC 24
8kg/cm'
for
water
heater
Printed in Japan
HINSHI-H8009

Table of Contents

Related product manuals