EasyManua.ls Logo

Yanmar 4JH3BE - 8-2 Dimensions of flywheel and mounting flange

Yanmar 4JH3BE
284 pages
Print Icon
To Next Page IconTo Next Page
To Next Page IconTo Next Page
To Previous Page IconTo Previous Page
To Previous Page IconTo Previous Page
Loading...
N
I
N
-.J
13
59.
2
72
.,ii
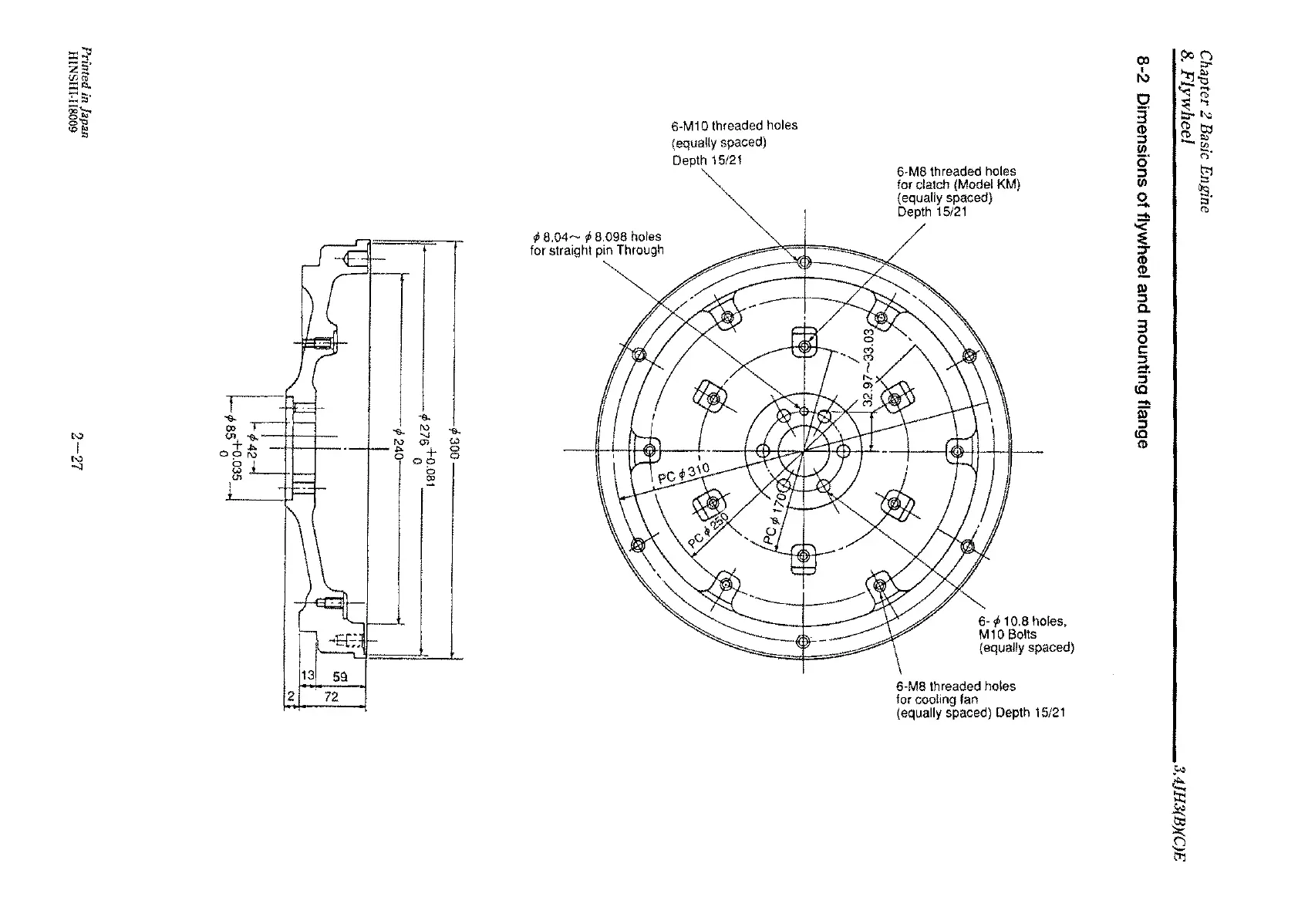
8.04~
16
8.098 holes
for straight
pin
Through
6-M1 O threaded holes
(equally spaced)
Depth
15121
6•M8 threaded holes
for clatch (Model KM)
( equally spaced)
Depth 15/21
6-
1'
10.8 holes,
M10
Bolts
(equally spaced)
6-MS threaded holes
for cooling Ian
(equally spaced) Depth 15/21
CD
~Q
I
~{;
I\)
2
"..::
~
~
'"1
3
:::i-1-,,;,
(I)
('t, Oj
::,
(t,
ti>
-r,,
fJ)
.__
n
:::,
~
fJ)
~-
0
....
rt,
:::::!!
'<
:E
:::r
(I)
~
II>
:::,
Q.
3
0
C
:::,
:::t.
:::,
(0
-
in
::,
(0
(I)

Table of Contents