EasyManua.ls Logo

YASKAWA CIMR-G5M

YASKAWA CIMR-G5M
26 pages
To Next Page IconTo Next Page
To Next Page IconTo Next Page
To Previous Page IconTo Previous Page
To Previous Page IconTo Previous Page
Loading...
1-12
TRANSFORMER
INPUT
REACTOR
INPUT
RFI FILTER
L3
L2
L1
H3
H2
H1
X3
X2
X1
C1
B1
A1
C2
B2
A2
C1(L3)
B1(L2)
A1(L1)
(L3)C2
(L2)B2
(L1)A2
L
I
N
E
L
O
A
D
CUSTOMER'S
3Ø A.C. LINE
POWER
SUPPLY
PANEL GROUND
SEE NOTE 2
(G)
RF NOISE
FILTER
SEE NOTE 5
SEE NOTE 3
L3L2L1
T2T1
INPUT
OUTPUT
Drive
PANEL GROUND
SEE NOTE 1
SEE NOTES 3, 4
OUTPUT
REACTOR
OUTPUT
RFI FILTER
SEE NOTES 3, 4
A.C. MOTOR
1 2 3
4 5 6
IN
OUT
T3T2T1
C1B1A1
C2B2A2
PANEL GROUND
SEE NOTE 2
SEE NOTE 6
DC
REACTOR
+ 1
+ 2
PANEL
GROUND
SEE NOTE 2
ISOLATION
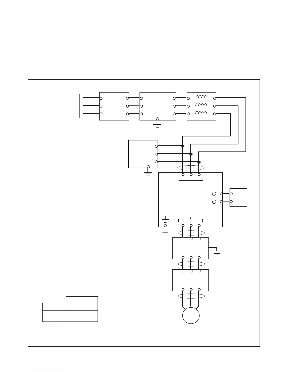
Figure 1-2. Customer Connection Diagram For Isolation Transformers, Input
Reactors, Input RFI Filters, DC Reactors, Output Reactors and Output RFI FIlters
NOTES
1. Connect drive ground terminal or panel to
earth ground. Always use low impedance
paths and connections.
2. Mount input and output RFI filters
physically
as close to the drive as possible (on the same
panel, if possible). Filters should have a solid
connection from filter ground terminal to the
cabinet ground point. If multiple input or
output RFI filters are used, they must be
wired in parallel.
3. Shield individual conductors with metallic
conduit, or use armored or shielded cable.
4. Connect output conduit armored cable or
shielded cable in a manner that allows it to
act as an unbroken shield from the drive
panel to the motor casing.
5. RF noise filter (different from RFI filter) part
no. 05P00325-0023 is a delta wye capacitor
network which is wired in parallel with the
drive input terminals. On the smaller drives
with die cast chassis, it must be mounted
externally. On the larger drives with sheet
metal chassis, it may be mounted inside the
area where the input power wiring enters the
drive. On units equipped with bypass, it may
be wired to the primary side of the circuit
breaker and mounted to the bypass panel or
sidewall.
6. Connection points:
Drive Terminals
Input
Power L1, L2, L3
Output Power
T1, T2, T3
Figure 1-2 is a factory guideline for proper wiring practices and relative locations within the electrical
path from the line to the load. It does not imply what devices are needed for a particular
application, nor does it show what devices were shipped with a particular order. Therefore,
disregard those items in the diagram which are not being used in your installation. However, it
is
recommended that an input or DC reactor be used with models GPD515C-A003 thru -A064
(CIMR-G5M20P41F thru 20151F), -B001 thru -B034 (40P41F thru 40151F) , and -C003 thru -C062
(51P51F thru 51451F) when wired to a source of 600 kVA or greater. Mount all optional power
devices close to the drive, and keep electrical connections as short as possible.

Related product manuals