EasyManua.ls Logo

YASKAWA Z1000 - Page 21

YASKAWA Z1000
92 pages
To Next Page IconTo Next Page
To Next Page IconTo Next Page
To Previous Page IconTo Previous Page
To Previous Page IconTo Previous Page
Loading...
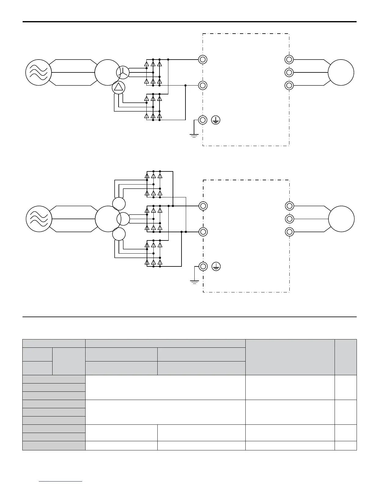
Motor
U/T1
W/T3
V/T2
+1
-
Figure i.16 12-Pulse Connection Diagram (2A0343, 2A0396, and 4A0361 to 4A0590)
Motor
U/T1
W/T3
V/T2
+1
-
0
-20
+20
Figure i.17 18-Pulse Connection Diagram (2A0343, 2A0396, and 4A0361 to 4A0590)
u
Main Circuit Terminal Functions
Table i.4 Main Circuit Terminal Functions
Terminal Type
Function Page
200 V
Class
Drive
Model
2A0011 to 2A0273 2A0343 and 2A0396
400 V
Class
4A0005 to 4A0302 4A0361 to 4A0590
R/L1
Main circuit power supply input Connects line power to the drive 17S/L2
T/L3
U/T1
Drive output Connects to the motor 17V/T2
W/T3
+1
DC power supply input (+1 and –) or
12/18 pulse rectification
For connecting peripheral devices
+3
<1>
i.4 Electrical Installation
YASKAWA ELECTRIC TOEP C710616 54A YASKAWA AC Drive - Z1000 Quick Start Guide
21

Other manuals for YASKAWA Z1000

Related product manuals