EasyManua.ls Logo

Zenitel Phontech MPA 1601 - Block Diagram

Default Icon
91 pages
Print Icon
To Next Page IconTo Next Page
To Next Page IconTo Next Page
To Previous Page IconTo Previous Page
To Previous Page IconTo Previous Page
Loading...
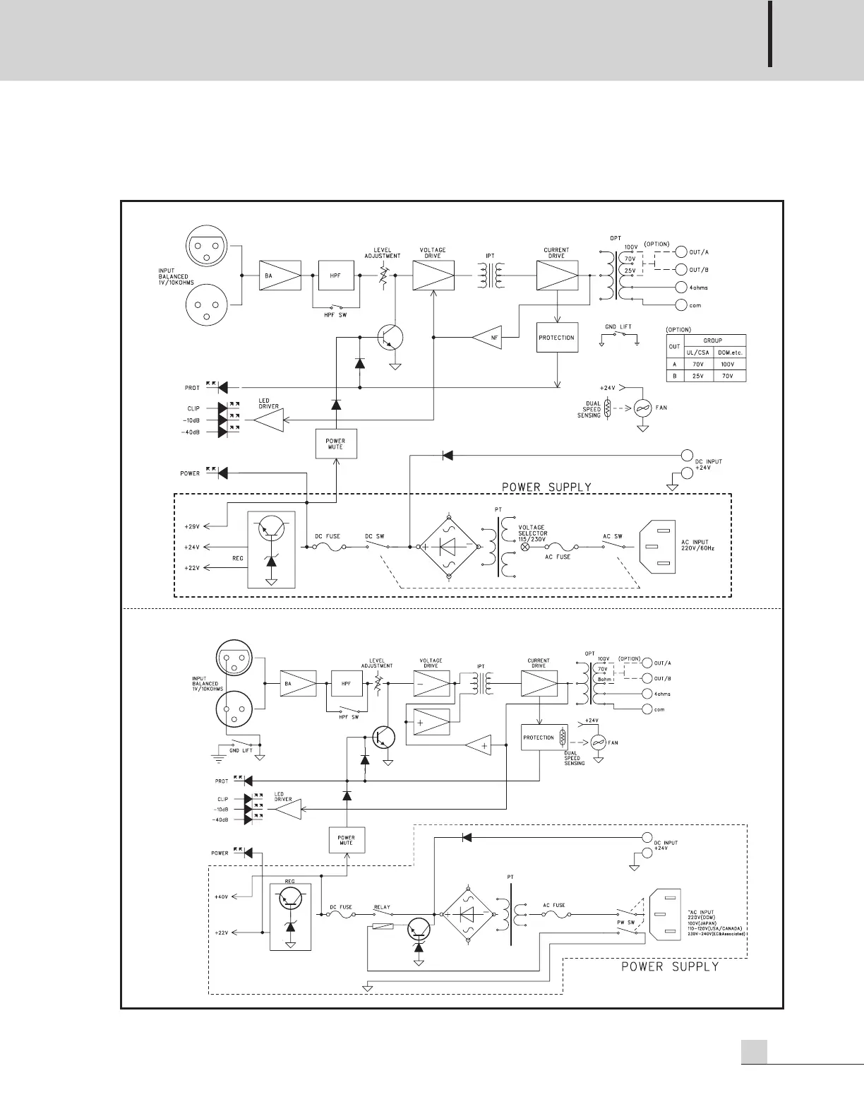
PUBLIC ADDRESS POWER AMPLIFIER
9
PA-6312/6324/6336/6348
Block Diagram
Block Diagram
- PA-6312
- PA-6324/6336/6348
Handbook page
83 of 89

Table of Contents

Related product manuals