EasyManua.ls Logo

3Com 3C17300-US - Using 802.1 Q Tagged Connections

3Com 3C17300-US
122 pages
Print Icon
To Next Page IconTo Next Page
To Next Page IconTo Next Page
To Previous Page IconTo Previous Page
To Previous Page IconTo Previous Page
Loading...
VLAN Configuration Examples 71
2 Add ports to the VLANs
Add ports 10, 11 and 12 of the Switch as untagged members to VLAN 2.
Using 802.1Q Tagged
Connections
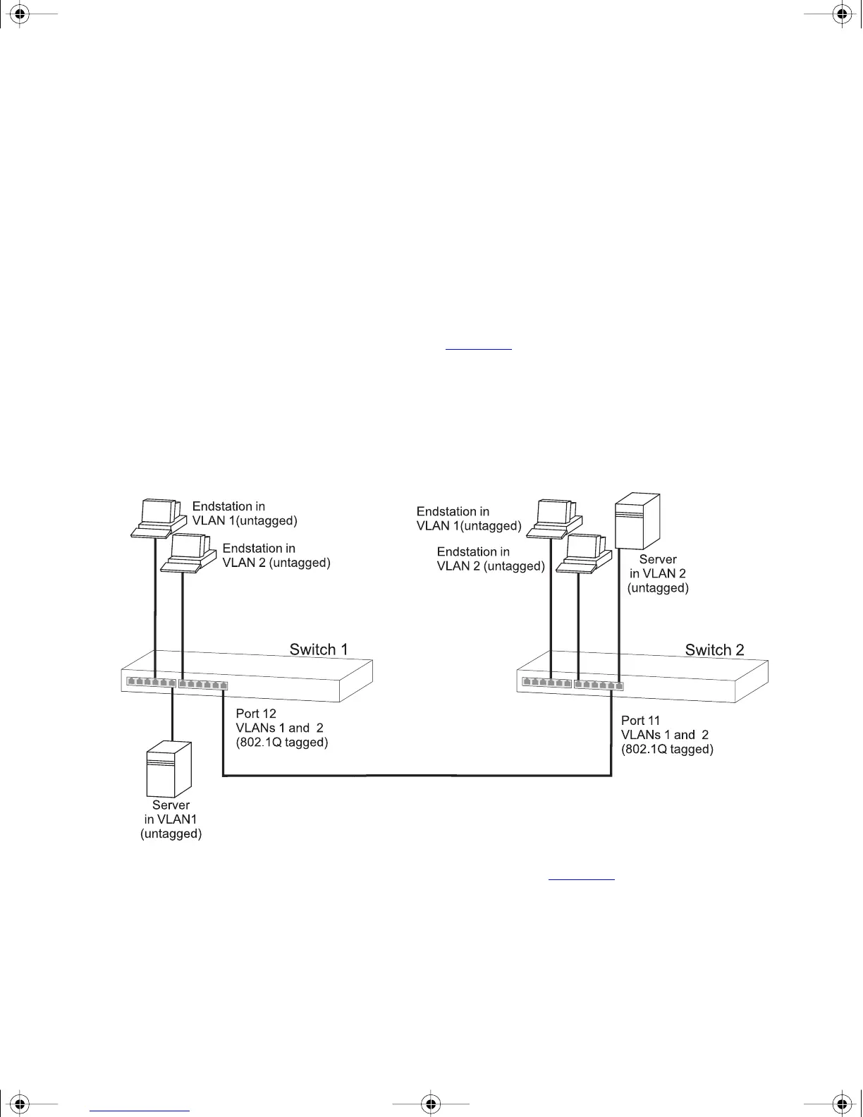
In a network where the VLANs are distributed amongst more than one
Switch, you must use 802.1Q tagged connections so that all VLAN traffic
can be passed along the links between the Switches. 802.1Q tagging can
only be used if the devices at both ends of a link support IEEE 802.1Q.
The example shown in Figure 18
illustrates two Switch units. Each switch
has endstations and a server in VLAN 1 and VLAN 2. All endstations in
VLAN 1 need to be able to connect to the server in VLAN1 which is
attached to Switch 1 and all endstations in VLAN 2 need to connect to
the server in VLAN2 which is attached to Switch 2.
Figure 18 VLAN configuration example: 802.1Q tagged connections
To set up the configuration shown in Figure 18:
1 Configure the VLANs on Switch 1
Define VLAN 2. VLAN 1 is the default VLAN and already exists.
2 Add endstation ports on Switch 1 to the VLANs
Place the endstation ports in the appropriate VLANs as untagged
members.
dua1730-0bAA03.book Page 71 Monday, July 11, 2005 11:14 AM

Table of Contents

Related product manuals