EasyManua.ls Logo

a-eberle REG-DA - Operating Hours (2) Details; Loss of Life Calculation

a-eberle REG-DA
52 pages
Print Icon
To Next Page IconTo Next Page
To Next Page IconTo Next Page
To Previous Page IconTo Previous Page
To Previous Page IconTo Previous Page
Loading...
Page 11
Basic description of the Transformer Monitor
LEREF "Verzeichnis Ueberschrift" \* MERGEFORMAT Index
Fehler! Verwenden Sie die Registerkarte 'Start', um Verzeichnis Ueberschrift
dem Text zuzuweisen, der hier angezeigt werden soll.Inhaltsverz
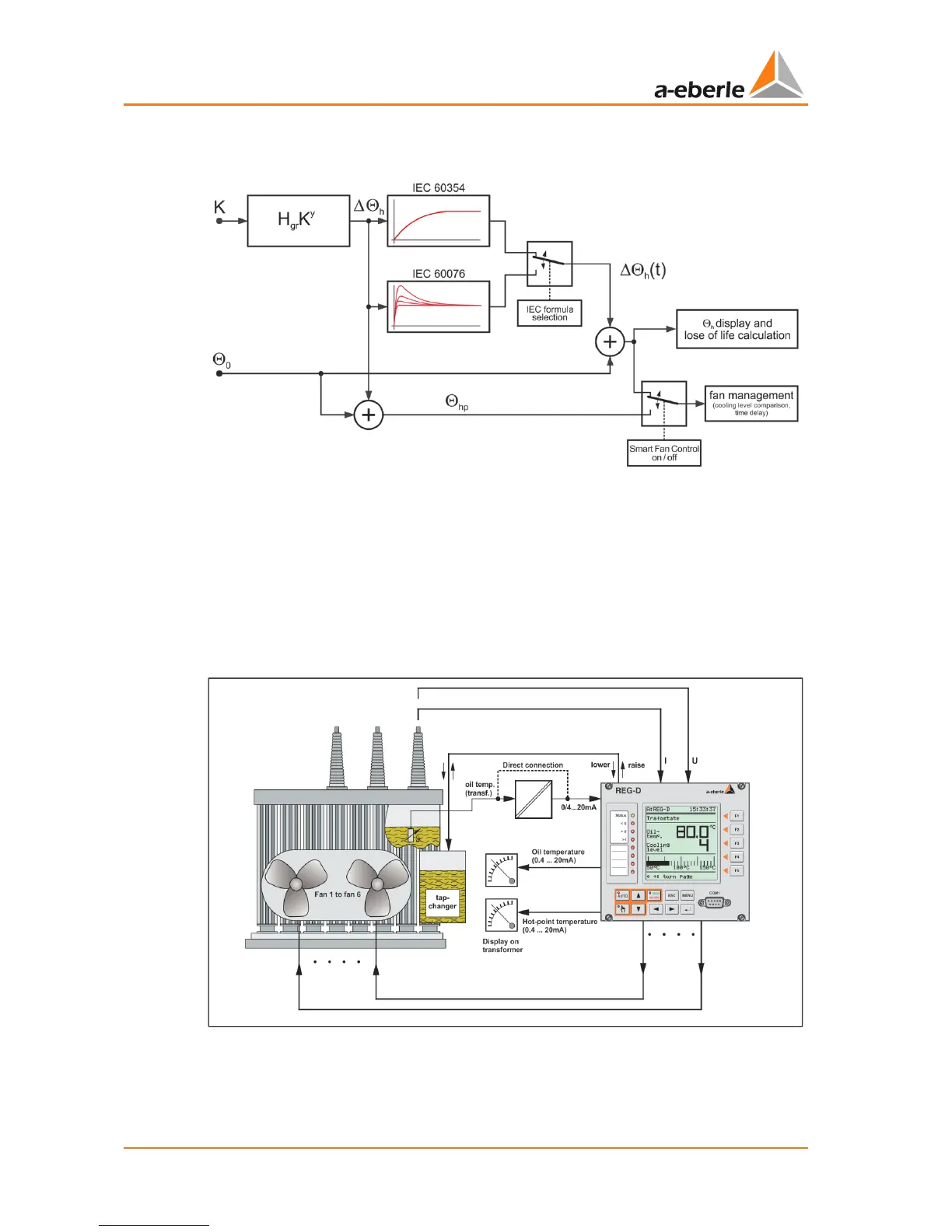
Block diagram of the hot-spot calculation and the cooling stage control
Figure 3: Block diagram
K
:
Load factor = I / IN
Θ
h
:
Hot-spot temperature
Θ
0
:
Oil temperature (measured)
Θ
hp
:
Expected hot-spot temperature
H
gr
:
Hot-spot to top-oil gradient
Y
:
Winding exponent
∆Θ
h
:
Hot-spot temperature increase
Figure 4: Oil temperature measurement diagram
If a temperature transducer has already been allocated to measure the oil temperature, the
oil temperature can be fed into the controller as mA input. If necessary, the PT100 temper-
ature sensors can also be connected directly in a three-wire circuit.

Table of Contents

Related product manuals