EasyManua.ls Logo

A.O. Smith BTH-120 - BTH 120 & 150 Wiring Diagram

A.O. Smith BTH-120
80 pages
Print Icon
To Next Page IconTo Next Page
To Next Page IconTo Next Page
To Previous Page IconTo Previous Page
To Previous Page IconTo Previous Page
Loading...
68
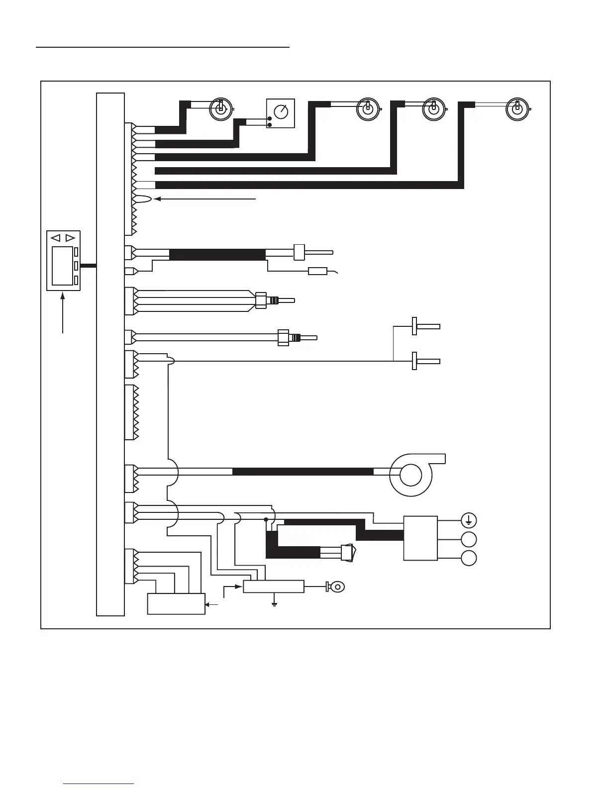
BTH 120 & 150 WIRING DIAGRAM
2
GREEN
WHITE
RED
BLACK
1
1
2
BLACK
3
WHITE
COMBUSTION
BLOWER
UPPER TEMPERATURE PROBE
1 RED (ECO)
4 RED (ECO)
2 BLACK
3 BLACK
1 BLACK120 VAC HOT
3 WHITE 120 VAC NEUTRAL
4 YEL 24 VAC
4 YEL 24 VAC
LOWER TEMPERATURE PROBE
HOT SURFACE IGNITER
FLAME SENSOR
BLOCKED
AIR INTAKE
BLOCKED
EXHAUST
BLOWER
PROVER
24 VAC
GAS VALVE
B (CENTRAL CONTROL BOARD)CC
6J5J4J7J51J
61J
01J31J2J3J1J
TRANSFORMER
INSIDE CCB
ENCLOSURE
50VA
GROUND STRIP
BURNER GROUND
(BURNER BOLT)
ON/OFF
SWITCH
GROUND
120 VAC NEUTRAL
120 VAC HOT
LOW GAS
PRESSURE SWITCH
1 BLACK
2 WHITE
RED
1 BLACK
2 BLACK
1 BLACK
2 WHITE
M
USER INTERFACE MODULE
IU
1
2
15
4
14
5
10
6
7
8
13
11
L
N
ANODE 1
ANODE 2
1 GREEN
2 BLUE
2 RED
GREEN
WHITE
NOITCNUJ
XOB
GREEN
NEERG
NEERG
ENABLE/DISABLE CIRCUIT
JUMPER WIRE BETWEEN PINS
8 AND 11 ON J6 PLUG
120 VAC 1 Ø POWER
Figure 66

Table of Contents

Other manuals for A.O. Smith BTH-120

Related product manuals