EasyManua.ls Logo

A.O. Smith BTH-120 - One Water Heater, Two Temperature with High Temperaure Loop Recirculation with Building Recirculation

A.O. Smith BTH-120
80 pages
Print Icon
To Next Page IconTo Next Page
To Next Page IconTo Next Page
To Previous Page IconTo Previous Page
To Previous Page IconTo Previous Page
Loading...
72
 
 
 

                

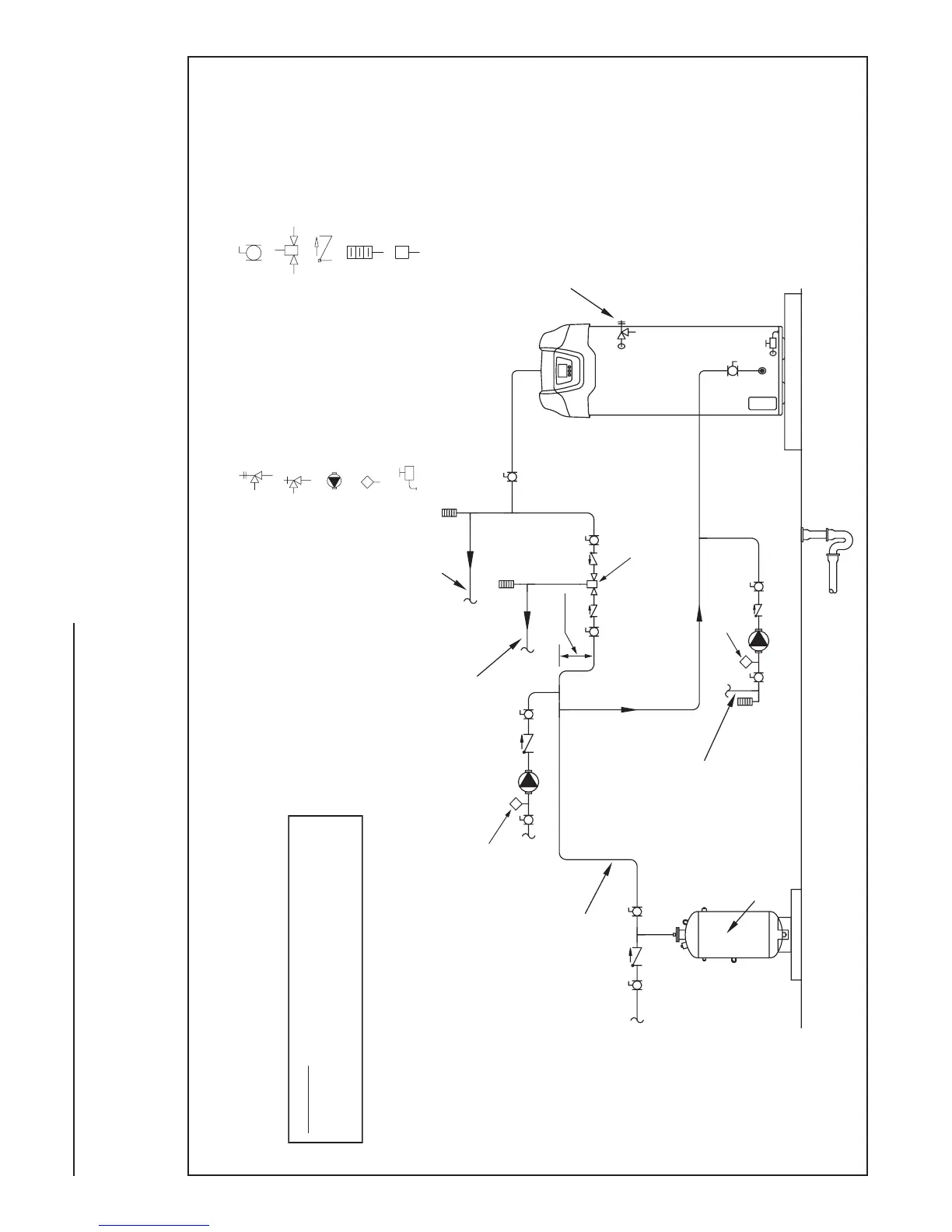
WATER PIPING DIAGRAMS

 
 
 
ONE WATER HEATER, TWO TEMPERATURE
WITH HIGH TEMPERAURE LOOP RECIRCULATION
WITH BUILDING RECIRCULATION
LEGEND
TEMPERATURE & PRESSURE
RELIEF VALVE
PRESSURE RELIEF VALVE
CIRCULATING PUMP
DRAIN
FULL PORT BALL VALVE
TEMPERATURE GAGE
WATER FLOW SWITCH
CHECK VALVE
MIXING VALVE
WARNING: THIS DRAWING SHOWS SUGGESTED
PIPING CONFIGURATION AND OTHER DEVICES;
CHECK WITH LOCAL CODES AND ORDINANCES
FOR ADDITIONAL REQUIREMENTS.
HOT WATER
OUTLET
HO
12” TO 15”
MINIMUM
T
COLD
TEMPERED
WATER
TO FIXTURES
COLD WATER
SUPPLY
TEMPERED WATER
RETURN
HOT WATER
RETURN
EXPANSION
TANK
PIPE T&P TO
OPEN DRAIN
LINE TEMPERATURE
CONTROL
LINE TEMPERATURE
CONTROL
TANK OR LINE TEMPERATURE
CONTROL
MIXING VALVE

Table of Contents

Other manuals for A.O. Smith BTH-120

Related product manuals