EasyManua.ls Logo

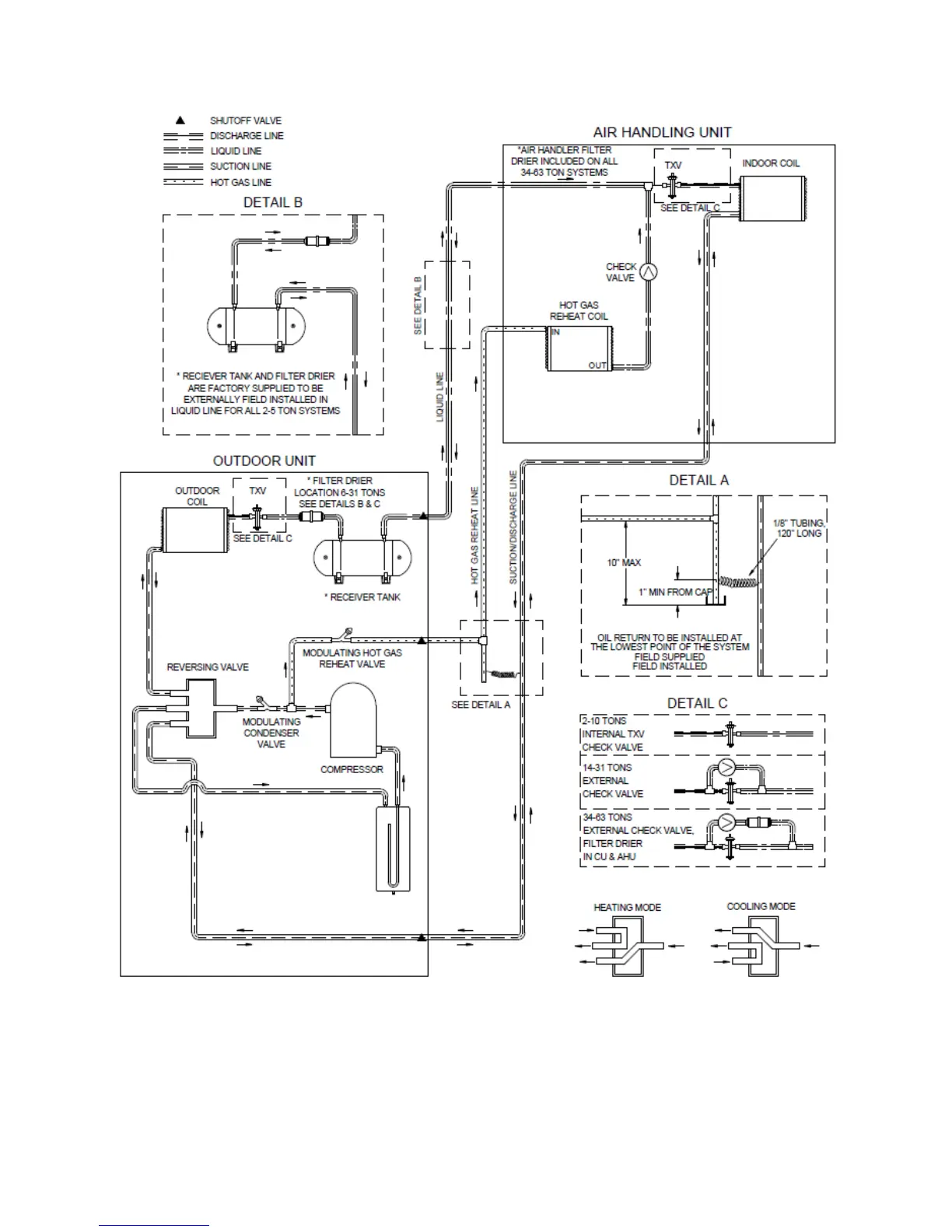
AAON CB-024 - Figure 22 - Heat Pump with Modulating Hot Gas Reheat Piping, AHU above CU

AAON CB-024
56 pages
Print Icon
To Next Page IconTo Next Page
To Next Page IconTo Next Page
To Previous Page IconTo Previous Page
To Previous Page IconTo Previous Page
Loading...
50
Figure 22 Heat pump with modulating hot gas reheat piping, AHU above CU

Table of Contents

Related product manuals