EasyManua.ls Logo

ABB 30-050-02 - Page 6

ABB 30-050-02
12 pages
To Next Page IconTo Next Page
To Next Page IconTo Next Page
To Previous Page IconTo Previous Page
To Previous Page IconTo Previous Page
Loading...
Smile_Tina_Manual_(English)_v1A
www.jokabsafety.com
2010-10-19
6
More connection examples can be found at www.jokabsafety.com or in the Safety Handbook.
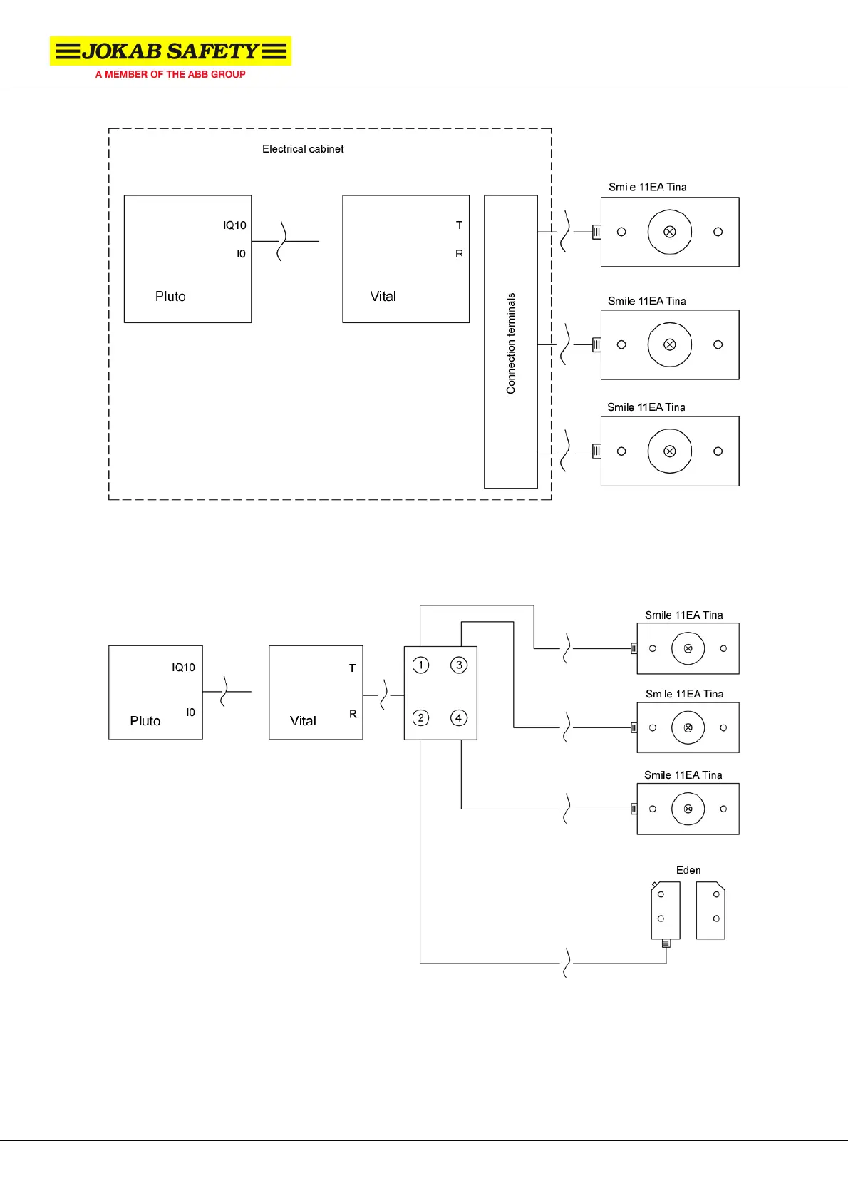
Connection example – Three Smile 11EA Tina and one Eden connected in series to Vital control device or Pluto safety
PLC through the connection block Tina 4A
Connection example – Three Smile 11EA Tina connected in series to Vital control device or Pluto safety PLC through
connection terminals in the electrical cabinet

Related product manuals