EasyManua.ls Logo

ABB AC 800M - Page 166

ABB AC 800M
230 pages
Print Icon
To Next Page IconTo Next Page
To Next Page IconTo Next Page
To Previous Page IconTo Previous Page
To Previous Page IconTo Previous Page
Loading...
CI854 and TP854 – PROFIBUS DP-V1 Interface Appendix A Hardware Units
166 3BSE 027 941 R301
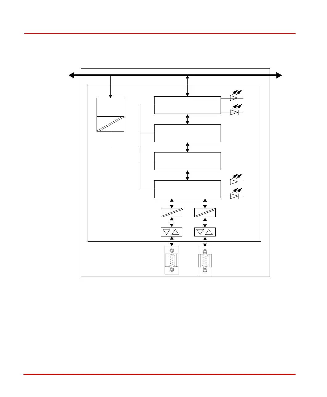
Functional Block Diagram
Figure 39. Block Diagram – CI854
CEX-Bus Interface
+5 V / +3.3 V
+24 V
Communication
Communication
Extension Bus
DC/DC
Converter
CPU-Kernel and Memory
PROFIBUS Master ASIC
Line Redundancy Unit
RS485
PROFIBUS A
PROFIBUS B
RxB
RxA
F
R
Extension Unit
Communication
Extension Baseplate

Table of Contents

Other manuals for ABB AC 800M

Related product manuals