EasyManua.ls Logo

ABB ACS880+N5350 - 2.5.1 Main Circuit

ABB ACS880+N5350
247 pages
Print Icon
To Next Page IconTo Next Page
To Next Page IconTo Next Page
To Previous Page IconTo Previous Page
To Previous Page IconTo Previous Page
Loading...
2-4 Product Familiarization 3AXD50000011888
2.5.1 Main Circuit
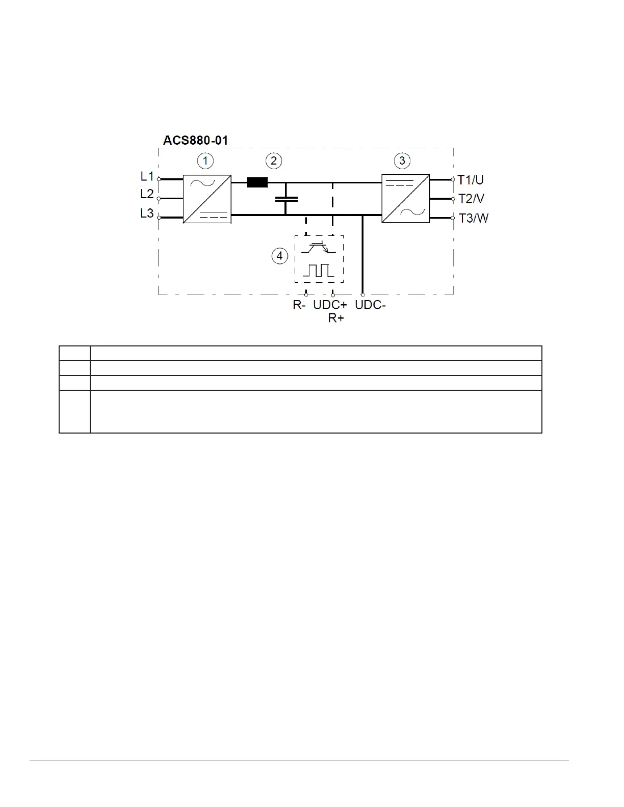
The main circuit of the drive is shown below.
Figure 2-3
Table 2-2
1 Rectier. Converts alternating current and voltage to direct current and voltage.
2 DC link. DC circuit between rectier and inverter.
3 Inverter. Converts direct current and voltage to alternating current and voltage.
4 Brake chopper. Conducts the surplus energy from the intermediate DC circuit of the drive to the brake
resistor when necessary. The chopper operates when the DC link voltage exceeds a certain maximum limit.
The voltage rise is typically caused by deceleration (braking) of a high inertia motor. User obtains and installs
the brake resistor when needed.

Table of Contents

Related product manuals