EasyManua.ls Logo

ABB ACS880+N5350 - 11.3 Motor Contactor or Shorting Contactor Examples; 11.3.1 Manual Motor Disconnect Switch; 11.3.2 Shorting Contactor

ABB ACS880+N5350
247 pages
Print Icon
To Next Page IconTo Next Page
To Next Page IconTo Next Page
To Previous Page IconTo Previous Page
To Previous Page IconTo Previous Page
Loading...
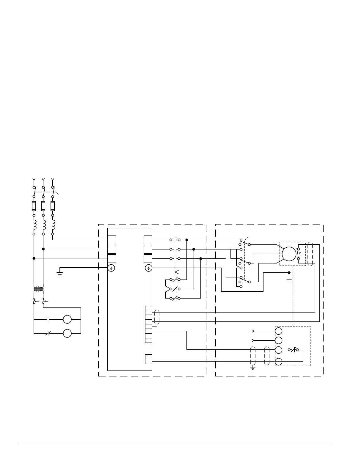
11-4 Example Connection Diagrams 3AXD50000011888
11.3 Motor Contactor or Shorting Contactor Examples
The following congurations are intended as examples on providing a manual motor disconnect or a power off fail safe
shorting contactor. These approaches can be used independent of the drive starting mode or reference source and are not
tied directly to the drive controller. Figure 11-3 depicts the preferred usage of a shorting contactor and a motor disconnect
when used with the ACS880+N5350 drive.
11.3.1 Manual Motor Disconnect Switch
The motor disconnect should be located remotely from the drive panel, within site of the direct drive RPM AC motor and
driven load. This is in compliance with National Electric Code Sections 420.102 to 430.109. The switch should only be
shorted after the ACS880+N5350 drive has been powered down or de-activated by opening the enable input.
11.3.2 Shorting Contactor
The intent of the Shorting Contactor is to provide one position (open) that is used when the fan is being run by the
ACS880+N5350. This is the normal power on state. The other power off position (closed) shorts the motor leads together.
For both the options, the position that shorts the leads together is used to prohibit hazardous voltages from being present
on the motor leads when it is disconnected from the drive should the fan rotate. This could occur since the motor includes
permanent magnets in its rotor thus giving it the characteristics of being a generator when not connected to a drive. Another
benet of this position is that it will cause the motor to resist wind-milling.
Figure 11-3 Motor Contactor Example
Cooling Tower Motor
M
Input Power
N.C. Dry
Contact Out
Customer Supplied
Vibration Switch
Customer Supplied
Vibration Sensor
Power Source
P2
P1
External Trip
Output Disconnect
SW2
Output Contactor
OC
Shorting Contactor
SC
OC
SC
OC
SC
115V
AC
T1
Select T1 Control transformer in
accordance with the input voltage
rating of the ACS880+N5350
Input Power
Input Disconnect
SW1
Line Reactor
ACS880+N5350+P934
T1/U
T2/V
T3/W
XDI
6
L1
L2
L3
1
2
3
4
5
J6
DICOM
DIIL
+24 VD
+24 VD
DIOGND
Ground Select
XD24

Table of Contents

Related product manuals