EasyManua.ls Logo

ABB ACS880+N5350 - Page 40

ABB ACS880+N5350
247 pages
Print Icon
To Next Page IconTo Next Page
To Next Page IconTo Next Page
To Previous Page IconTo Previous Page
To Previous Page IconTo Previous Page
Loading...
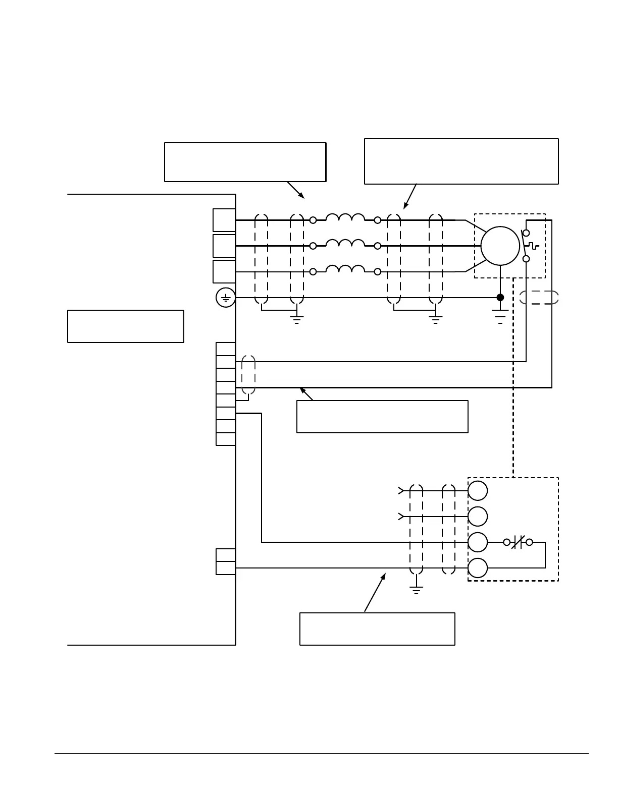
Power Wiring 5-73AXD50000011888
Example connection diagrams are shown later in this guide.
The wire leads that connect the motor to the control are critical in terms of sizing, shielding and the cable characteristics.
Figure 5-3 Motor Connections
ACS880+N5350
Cooling Tower Motor
M
Motor Thermostat Input
Input Power
N.C. Dry
Contact Out
Customer Supplied
Vibration Switch
Customer Supplied
Vibration Sensor
Power Source
Motor thermostat leads must be pulled in a separate
conduit from the motor power leads so electrical noise is
not introduced into signal wiring.
T1/U
T2/V
T3/W
1
2
3
4
5
J6
DICOM
DIIL
+24 VD
+24 VD
DIOGND
Ground Select
XDI
6DI6 Vibration Switch (External Trip)
XD24
Output Reactor
P2
P1
Vibration switch leads must be pulled in a separate
conduit from the motor power leads so electrical
noise is not introduced into signal wiring.
See tables in Chapter 4 for wire gauge
range and tightening torques of
terminals.
Optional customer supplied output reactor shown.
See Chapter 5 of the ACS880-01 Hardware Manual
3AUA0000078093 for details on installation planning.
Motor power connections should be pulled together in a metallic
conduit or be in a sheathed cable. Four conducts must be used (3
for motor power and one ground). Ground must be terminated in
the motor conduit box and in the drive. Conduit or sheath must be
grounded and continuity of ground maintained.

Table of Contents

Related product manuals