EasyManua.ls Logo

ABB COMMANDER 500 - Configuration; Accessing the Serial Configuration Displays

ABB COMMANDER 500
32 pages
Print Icon
To Next Page IconTo Next Page
To Next Page IconTo Next Page
To Previous Page IconTo Previous Page
To Previous Page IconTo Previous Page
Loading...
6
3 CONFIGURATION
Information.
Programmable baud rate – 2400, 9600 or 19200 baud.
Selectable parity – odd, even or none.
Address range – 1 to 99.
For MODBUS communications to operate correctly, each COMMANDER 500 must be configured
with the correct serial transmission parameters and assigned a unique address.
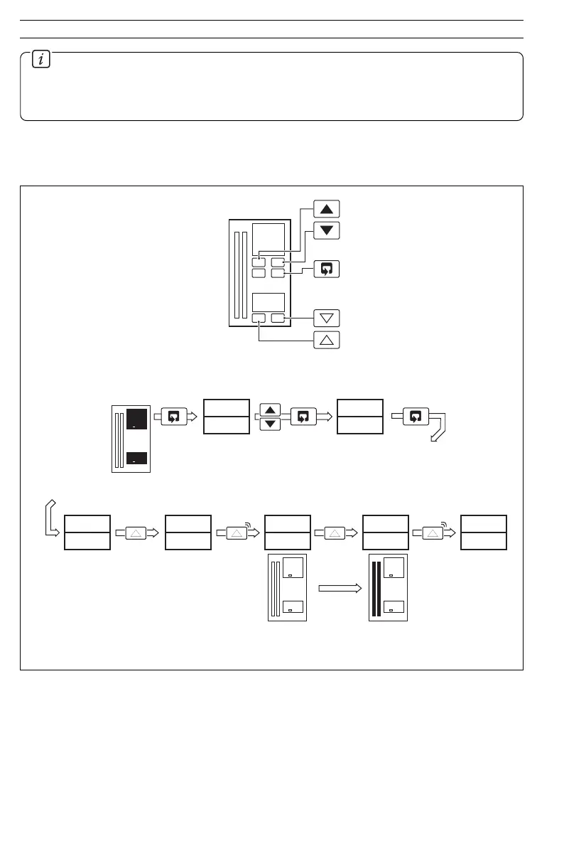
3.1 Accessing the Serial Configuration Displays
450.2
500.0
70
xxxx
COdE
50
AtNE
LEV2 LEV5
tUNE VLVE
LEV6
APPL
LEVd
SErL
LEV.6
APPL
6.00
LEV.5
VALV
6.00
LEV1
OPEr
Press
and hold
Press
and hold
Set the
correct
password
50.1
50.5
50
Fig. 3.1 Access to Serial Configuration Displays

Related product manuals